在我们的目录中搜索产品
球阀
蝶形阀
气动阀
气动执行器
电动执行器
执行器附件目

AGO - SR单气动铝制执行器

  • 优点
  • 特性
  • 特性
  • 物料
  • 图表和起动扭矩
  • 规格
  • 附件
  • 文档

1.自润滑的密封滑动轴承
降低活塞与缸筒之间的摩擦力;
即便长期停用,亦可避免密封件与缸筒发生粘连。

2.缸筒、套管和传动轴的硬度超过50 HRC

更强的执行器内部抗力

3.缸筒和活塞之间的滚动摩擦

更小的摩擦力

4.滚动摩擦的十字滑块(通过活塞和无传动装置的轴,将线性运动转换为旋转运动)。

活塞和传动轴之间的摩擦力更小,从而减少零部件磨损
打开和关闭时有着更强的起动扭矩
相较于齿轮和齿条式执行器,其尺寸更小,安装空间需求更低
相较于齿轮和齿条式执行器,其重量更小(-30% Kg/Nm),建造基础设施时可降低成本
相较于齿轮和齿条式执行器,其耗气量更低,(双效:-40% 空气 cm³/Nm;单效:-20% 空气 cm³/Nm),能够有效降低压缩机的工作负荷,或直接使用小尺寸压缩机。

5.滑动缸筒

得益于较低的表面粗糙度(0.15μRa),可以降低轴承的磨耗

自DAN15型号起接埠NAMUR电磁阀的接口

无需安装额外基座

在OMAL自有设施内完成全部生产流程

对加工各个阶段的最佳管控

ATEX认证
可安装于潜在易爆的环境内

最高达SIL3等级的认证
更高的运行安全等级

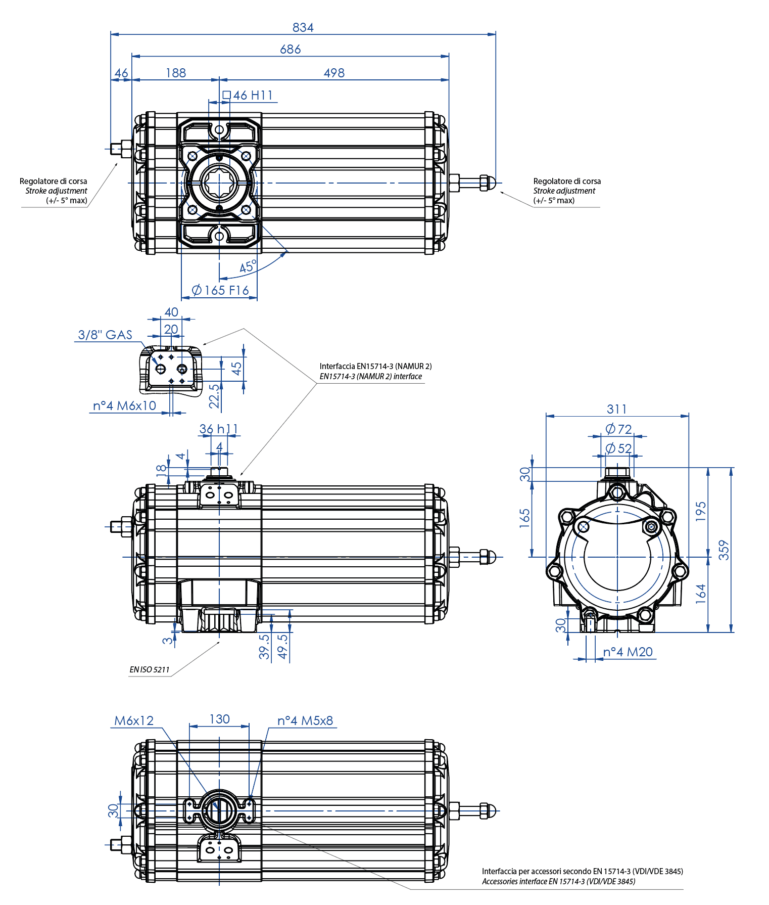
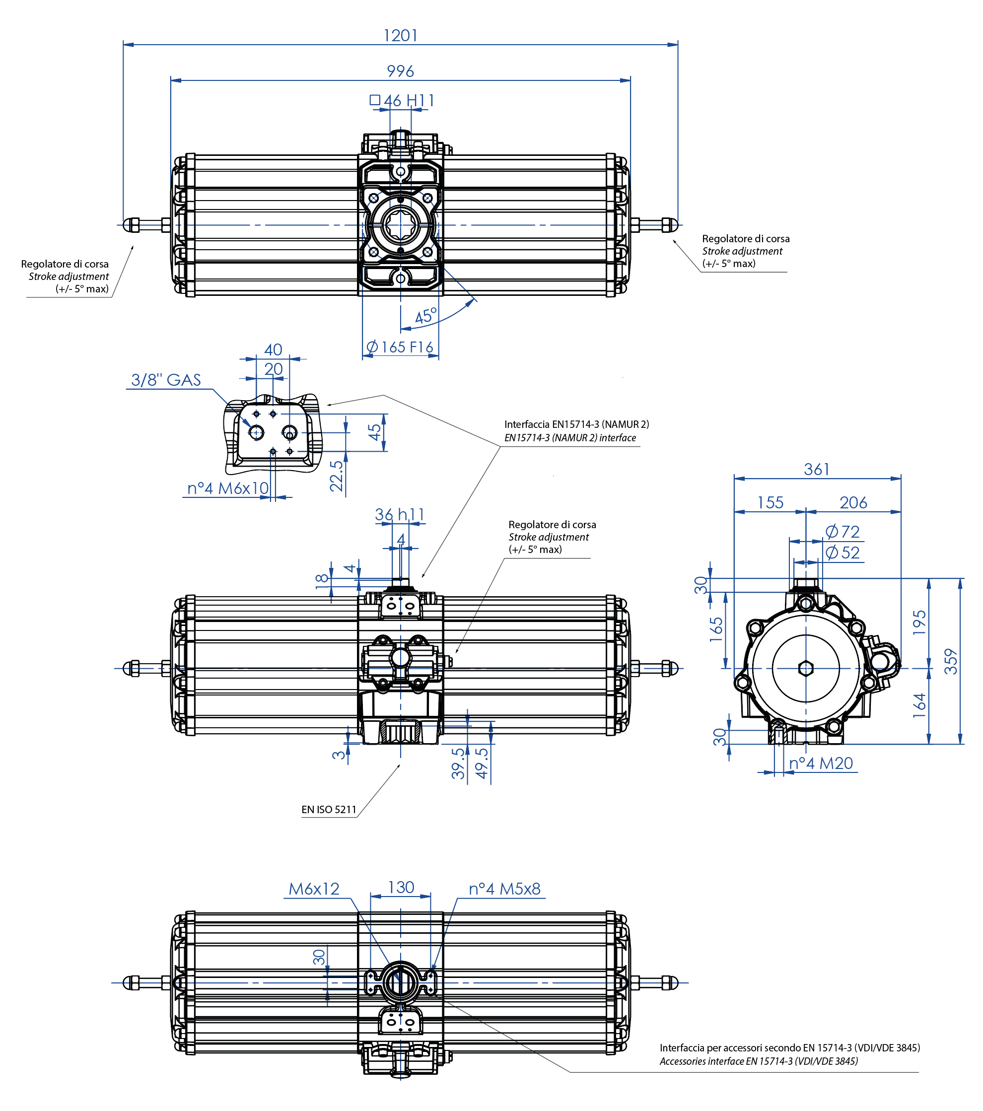
技术参数
扭矩介于15Nm~4000Nm之间。
法兰接口标准:EN ISO 5211
F03 - F04 - F05 - F07 - F10 - F12 - F14 - F16 - F25.
符合15714-3标准
旋转角度:92°(-1°,+91°)
起动扭矩:返回时的起动扭矩仅取决于弹簧的运动,与供应压力无关。弹簧调教共有4种不同类型;具体请参见表格。
弹簧顺时针旋转时,实现自动关闭。
对于任意一台执行器,SR后的数字即对应于压力为5.6bar时的起动扭矩(Nm)。
ATEX认证型号符合欧盟《2014/34/UE》ATEX防爆条例。*ATEX型号的代码末尾处添加“YX”

运行条件

温度:-20℃~+80℃。(特殊型号:高温=-20℃~+150℃;低温=-50℃~+60℃)
额定压力:5.6bar;最高作业压力:8.4bar。
流体源:无需润滑且经过滤的压缩空气。
需要润滑时,请使用与NBR材质相兼容的油料。

  • SRN15 - SRN960
  • SR1440
  • SR1920
  • SR2880
  • SR4000

SRN15(Nm)至SRN960(Nm)的单效气动执行器

技术参数表 SRN15(Nm)至SRN53(Nm)

代码
SRN0015401S
SRN0015402S
SRN0030401S
SRN0030402S
SRN0053401S

密封件
KGGI0014
KGGI0016
KGGI0060

尺寸
SRN15
SRN30
SRN53

ISO
F03/F05
F04
F04
F05/F07
F05/F07

A
233,3
233,3
259
259
304,3

A1 (2,8 Bar)
203,8
203,8
228,5
228,5
270,7

B
11
11
14
14
17

C x depth
M5x8
M5x8
M5x8
M6x9
M6x9

D x depth
M6x9
-
-
M8x12
M8x12

E
36
42
42
50
50

F
50
-
-
70
70

G
10
10
13
13
13

H
30,3
30,3
35,7
35,7
42,8

I
9
9
10
10
12

L
79,2
79,2
90,4
90,4
103,3

M
31,5
31,5
37,7
37,7
44,8

N
47,7
47,7
52,7
52,7
58,5

O
13,2
13,2
16,5
16,5
19,3

P
27,7
27,7
32,7
32,7
38,5

Q
31,5
31,5
37,7
37,7
44,8

R
10,9
10,9
14,5
14,5
16,2

S
20
20
20
20
20

T
59,2
59,2
70,4
70,4
83,3

W (气体)
1/8"
1/8"
1/8"
1/8"
1/8"

Ch
13
13
13
13
17

重量(Kg)
1,2
1,2
1,95
1,95
3

供气量 (dm3/cycle)
0,09
0,09
0,17
0,17
0,3

H = 固定板中心

技术参数表 SRN60(Nm)至SRN360(Nm) 

代码
SRN0060401S
SRN0090401S
SRN0120401S
SRN0180401S
SRN0240401S
SRN0360401S

密封备件
KGGI0018
KGGI0019
KGGI0020
KGGI0021
KGGI0022
KGGI0023

尺寸
SRN60
SRN90
SRN120
SRN180
SRN240
SRN360

ISO
F05/F07
F07/F10
F07/F10
F07/F10
F10/F12
F10/F12

A
338,5
393,7
409,6
474
520,5
613

A1 (2,8 Bar)
309,1
341,8
361,6
406,6
454,1
523

B
17
22
22
22
27
27

C x depth
M6x9
M8x12
M8x12
M8x12
M10x15
M10x15

D x depth
M8x12
M10x15
M10x15
M10x15
M12x18
M12x18

E
50
70
70
70
102
102

F
70
102
102
102
125
125

G
13
16
17
19
19
19,5

H
44,8
54,5
58,1
60
57,4
61,5

I
12
15
15
19
19
22

L
107
137,5
141,1
148
164,9
178

M
46,8
56,5
60,1
62
72,9
78,5

N
60,2
81
81
86
92
99,5

O
19,3
24,8
24,8
24,3
29,5
29,5

P
40,2
51
51
56
62
69,5

Q
46,8
56,5
60,1
62
72,9
78,5

R
18
20,2
22,5
25,5
29
31,8

S
20
30
30
30
30
30

T
87
107,5
111,1
118
134,9
148

W (气体)
1/8"
1/8"
1/8"
1/8"
1/4"
1/4"

Ch
17
22
22
22
27
27

重量(Kg)
3,35
5,9
6,8
8,9
11,8
16,5

供气量 (dm3/cycle)
0,33
0,55
0,8
1
1,5
2

H = 

技术参数表 SRN480(Nm)至SRN960(Nm)

代码
SRN0480401S
SRN0480402S
SRN0720402S
SRN0720401S
SRN0960402S
SRN0960401S

密封备件
KGGI0024
KGGI0025
KGGI0026

尺寸
SRN480
SRN720
SRN960

ISO
F10/F12
F14
F12
F14
F12/F16
F14

A
648,2
648,2
798
798
828
828

A1 (2,8 Bar)
563,8
563,8
683
683
714,4
714,4

B
36
36
36
36
46
46

C x depth
M10x15
M16x24
M12x18
M16x24
M12x18
M16x24

D x depth
M12x18
-
-
-
M20x30
-

E
102
140
125
140
125
140

F
125
-
-
-
165
-

G
19,5
19,5
19,5
19,5
18,5
18,5

H
78
78
86,5
86,5
99,2
99,2

I
24
24
27
27
32
32

L
198
198
216
216
237,7
237,7

M
93,5
93,5
101,5
101,5
114,7
114,7

N
104,5
104,5
114,5
114,5
123
123

O
38,5
38,5
38,5
38,5
48,5
48,5

P
74,5
74,5
84,5
84,5
93
93

Q
93,5
93,5
101,5
101,5
114,7
114,7

R
36,5
36,5
41
41
46
46

S
30
30
30
30
30
30

T
168
168
186
186
207,7
207,7

W (气体)
1/4"
1/4"
1/4"
1/4"
1/4"
1/4"

Ch
27
27
36
36
36
36

重量 (Kg)
22,7
22,7
33
33
42
42

供气量 (dm3/cycle)
2,8
2,8
4,2
4,2
5,9
5,9

H = 固定板中心

SR1440(Nm)单效气动执行器

技术参数表 SR 1440 (Nm)
代码
SR1440E16D8A
重量 [Kg]
74,0
供气量 [dm3/cycle]
11,0
密封备件
KGSI1035

SR1920(Nm)单效气动执行器

技术参数表 SR 1920 (Nm)
代码SR1920E1608A
重量[Kg]
67,0
供气量 [dm3/cycle]
12,0
密封备件
KGDI0030

SR2880(Nm)单效气动执行器

技术参数表 SR 2880 (Nm)
代码
SR2880E16D8A
重量 [Kg]
116,8
供气量 [dm3/cycle]
21,0
密封备件
KGSI2035

SR4000(Nm)单效气动执行器

技术参数表 SR 4000 (Nm)
代码
SR4000E25D8A
重量[Kg]
183,0
供气量 [dm3/cycle]
29,1
密封备件
KGSI1040

  • SRN15 - SRN960
  • SR1440
  • SR1920
  • SR2880
  • SR4000

下述尺寸的单效气动执行器组件:SRN15-SRN960

下述尺寸的单效气动执行器组件: SRN15-SRN960
位置
名称
数量
材质
1
缸筒
1
铝合金
2
活塞
2
铝合金
3
封盖
2
铝合金
4
阀轴1
不锈钢
5
十字滑块
1
合金钢
6
支承滑套
1
乙缩醛树脂
7
支承轴
1
乙缩醛树脂
8
衬套
2
铝合金
9
传动轴
2
铝合金
10*
密封环
2
聚氨酯
11*
活塞支承盘4
PTFE caric
12*
活塞O形圈
2
NBR
13
轴上O形圈
1
FKM
14
止推轴承
1
乙缩醛树脂
15
垫片
1
不锈钢
16
Seeger 弹性圈
1
不锈钢
17
轴下O形圈
1
FKM
18
螺母
2
铝合金
19*
封盖O形圈2
NBR
20
螺栓8
不锈钢
21
弹簧预紧螺栓2
铝合金
22
弹簧压板
2
铝合金
23
弹簧
2
合金钢
24*
O形圈
2
NBR
25
十字滑块塑料外杆1
铝合金
26
十字滑块塑料内杆
1
铝合金
27
定心环1
铝合金
* 备件套装的组件

下述尺寸的单效气动执行器组件:SR1440

下述尺寸的单效气动执行器组件: SR1440
位置名称数量
材质
1钢套
1
2钢销
1
3阀体
1
4内弹簧
1
5*O 形圈
2NBR
6阀轴
1
7防喷溅螺栓
1
8*下支承件1乙缩醛树脂
9*O 形圈
1FKM
10*O 形圈
1FKM
11下支承件套管
1
12套管螺栓
2
13支承滑套
1乙缩醛树脂
14定距片
1
15封盖
1
16装配螺栓
7
17套箍螺帽
7
18固定螺柱(封盖)
1
19螺母
1
20调整螺柱
1
21*O 形圈
1NBR
22十字滑块
1
23滑套/支承套
1乙缩醛树脂
24*O 形圈
2NBR
25*上支承件
1乙缩醛树脂
26*O 形圈1FKM
27*止推轴承
1乙缩醛树脂
28垫片
1
29Seeger 弹性圈
1
30防喷溅杆
1
31*轴承
2乙缩醛树脂
32活塞
1
33*O 形圈
1NBR
34*引导轴承
1P.T.F.E. 碳石墨填料
35侧缸筒
1
36*O 形圈
2NBR
37封盖
1
38装配螺栓
7
39套箍螺帽
7
40*O 形圈
1NBR
41螺母
1
42套箍螺帽1
43弹簧预紧螺栓
1
44O 形圈
1NBR
45小弹簧压板
1
46O 形圈
1NBR
47大弹簧压板1
48外弹簧
1
* 备件套装的组件

下述尺寸的单效气动执行器组件:SR1920

下述尺寸的双效气动执行器组件:SR1920
位置
名称
数量
材质
1缸筒
1铝合金
2活塞
2铝合金
3封盖
2铝合金
4阀轴
1不锈钢
5十字滑块
1合金钢
6支承滑套
1乙缩醛树脂
7滑套/支承套
1乙缩醛树脂
8*下支承轴承
1乙缩醛树脂
9*上支承轴承
1乙缩醛树脂
10钢套
2合金钢
11钢销
2合金钢
12*引导轴承
2P.T.F.E. 碳石墨填料
13*支撑轴承
4乙缩醛树脂
14*活塞O形圈
2NBR
15*轴上O形圈
1FKM
16*外支承环
1乙缩醛树脂
17垫片1不锈钢
18Seeger弹性圈
1不锈钢
19*导气O形圈
2NBR
20*轴下O形圈
1FKM
21*封盖O形圈
2NBR
22*阀体-缸套O形圈
2NBR
23套箍螺帽
12不锈钢
24调整螺柱
2不锈钢
25*螺柱O形圈
2NBR
26螺母
2不锈钢
27弹簧
4合金钢
28*调节O形圈
2NBR
29螺母
2不锈钢
30套箍螺帽
2不锈钢
31弹簧压板
2铝合金
32弹簧预张紧螺栓
2不锈钢
33侧缸筒
2铝合金
34防喷溅螺栓
1不锈钢
35**定心环
1铝合金
36装配螺栓
12
37防喷溅杆
2合金钢
* 备件套装的组件
** 选装

下述尺寸的单效气动执行器组件:SR2880


下述尺寸的X单效气动执行器组件: SR2880
Pos
名称
位置
材质
1
钢套
2

2
钢销2

3
调整螺栓
1

4
左侧止动箍
1

5*
O 形圈2
NBR
6
保护盖
1

7
防旋转垫圈
1

8
穿孔环
1
不锈钢
9*
O 形圈1
NBR
10

调整装置保护壳

1

11
保护壳螺栓
4

12
套箍螺母
1
不锈钢
13
右侧止动箍
1

14
防喷溅螺栓
1

15
阀轴
1

16
下支承件
1
乙缩醛树脂
17
下支承件套管
1

18
套管螺栓
2

19*
O 形圈
1
FKM
20
支承滑套
1
乙缩醛树脂
21*
轴承
4
乙缩醛树脂
22
防喷溅杆
2

23
侧缸筒
2

24*
封盖O形圈
2
NBR
25
封盖
2
26
装配螺栓
14

27
套箍螺帽
14

28套箍螺帽
2
29螺母2
30*O 形圈
2NBR
31*引导轴承
2P.T.F.E. 碳石墨填料
32*活塞O形圈
2NBR
33活塞
2
34十字滑块
1
35滑套/支承套
1乙缩醛树脂
36*O形圈
2NBR
37*O形圈
2NBR
38阀体1
39*上支承件
1乙缩醛树脂
40*O 形圈
1FKM
41*止推轴承
1乙缩醛树脂
42垫片
1
43Seeger 弹性圈
1
44弹簧预紧螺栓
2
45*O 形圈
2NBR
46小弹簧压板
2
47*O 形圈
2NBR
48大弹簧压板
2
49外弹簧
2
50内弹簧
2
51*保护壳密封件
1NBR
52*O 形圈
1FKM
53垫圈
1
54Seeger  弹性圈
2
* 备件套装的组件


下述尺寸的单效气动执行器组件:SR4000

下述尺寸的双效气动执行器组件:SR4000
位置
名称
数量
材质
1
钢套
2

2
钢销
2

3
调整螺栓
1

4
左侧止动箍
1

5*
O形圈
2
NBR
6
保护盖
1

7
防旋转垫圈
1

8
穿孔环
1
不锈钢
9*
O 形圈
1
NBR
10
调整装置保护壳
1

11
保护壳螺栓
4

12
套箍螺母
1
不锈钢
13
右侧止动箍
1

14
防喷溅螺栓
1

15
阀轴
1

16
下支承件
1
乙缩醛树脂
17
F25 接口
1

18
接口螺栓
2

19*
O形圈
1
FKM
20
支承滑套
1
乙缩醛树脂
21*
轴承
4
乙缩醛树脂
22
防喷溅杆
2

23
侧缸筒
2

24*
封盖O形圈o
2
NBR
25
封盖
2

26
装配螺栓
14

27
套箍螺帽
28

28
螺母
2

29
调整螺柱
2

30*
O 形圈
2
NBR
31*
引导轴承
2
P.T.F.E. 碳石墨填料
32*
活塞O形圈
2
NBR
33
活塞
2

34
十字滑块
1

35
滑套/支承套
1
乙缩醛树脂
36*
O 形圈
2
NBR
37*
O 形圈
18
NBR
38
阀体
1

39*
上支承件
1
乙缩醛树脂
40*
O形圈
1
FKM
41*
止推轴承
1
乙缩醛树脂
42
垫片
1

43
Seeger 弹性圈
1

44*
保护壳密封件
1
NBR
45
垫圈
1

46
Seeger 弹性圈
2

47
缸筒法兰
2

48
法兰螺栓
14

49
螺柱
2

50
活塞法兰
2

51*
O 形圈
2
NBR
52
套箍螺帽
2

53
外弹簧
2

54
内弹簧2

55
大弹簧压板
2

56
O 形圈
2
NBR
57
O 形圈2
NBR
58
小弹簧压板2

* 备件套装的组件

基于旋转角度的起动扭矩图表

起动扭矩表(Nm)  α°= 旋转角度   
尺寸
α°
2,8 bar ÷ 40 PSI
3,5 bar ÷ 50 PSI
4,2 bar ÷ 60 PSI
5,6 bar ÷ 80 PSI
空气
弹簧
空气
弹簧
空气
弹簧
空气
弹簧
SRN 15

7,5
5
9,4
6,3
11,3
7,5
15
10
50°
3,7
3,7
4,7
4,7
5,6
5,6
7,5
7,5
90°
5
7,5
6,3
9,4
7,5
11,3
10
15
SRN 30

15
10
18,8
12,5
22,5
15
30
20
50°
7,5
7,5
9,4
9,4
11,3
11,3
15
15
90°
10
15
12,5
18,8
15
22,5
20
30
SRN 53

26,5
17,5
33
22
40
26
53
35
50°
13
13
16,5
16,5
19,5
19,5
26
26
90°
17,5
26,5
22
33
26
40
35
53
SRN 60

30
20
37,5
25
45
30
60
40
50°
15
15
18,8
18,8
22,5
22,5
30
30
90°
20
30
25
37,5
30
45
40
60
SRN 90

45
30
56,337,5
67,5
45
90
60
50°
22,5
22,5
28,1
28,1
33,9
33,9
45
45
90°
30
45
37,5
56,3
45
67,5
60
90
SRN 120

60
40
75
50
90
60
120
80
50°
30
30
37,5
37,5
45
45
60
60
90°
40
60
50
75
60
90
80
120
SRN 180

90
60
112,5
75
135
90
180
120
50°
45
45
56,3
56,3
67,5
67,5
90
90
90°
60
90
75
112,5
90
135
120
180
SRN 240

120
80
150
100
180
120
240
160
50°
60
60
75
75
90
90
120
120
90°
80
120
100
150
120
180
160
240
SRN 360

180
120
225
150
270
180
360
240
50°
90
90
112,5
112,5
135
135
180
180
90°
120
180
150
225
180
270
240
360
SRN 480

240
160
300
200
360
240
480
320
50°
120
120
150
150
180
180
240
240
90°
160
240
200
300
240
360
320
480
SRN 720

360
240
450
300
540
360
720
480
50°
180
180
225
225
270
270
360
360
90°
240
360
300
450
360
540
480
720
SRN 960

480
320
600
400
720
480
960
640
50°
240
240
300
300
360
360
480
480
90°
320
480
400
600
480
720
640
960
SR 1440

---
---
900
600
---
---
1440
960
50°
---
---
450
450
---
---
720
720
90°
---
---
600
900
---
---
960
1440
SR 1920

960
640
1200
800
1440
960
1920
1280
50°
480
480
600
600
720
720
960
960
90°
640
960
800
1200
960
1440
1280
1920
SR 2880

1440
960
1800
1200
2160
1440
2880
1920
50°
720
720
900
900
1080
1080
1440
1440
90°
960
1440
1200
1800
1440
2160
1920
2880
SR 4000

2000
13332500
1666,3
3000
1999,54000
2666
50°
1000
1000
1250
1250
1500
1500
2000
2000
90°
13332000
1666,3
2500
1999,53000
26664000

配备限位器的信号盒

手动解锁操纵器

NAMUR 电磁阀

电磁阀

电气定位器(内置安全装置)

气动定位器

接近式限位器

机电式限位器

气动式限位器

抗爆燃限位器II2GD ExdIIC

选择 尺寸
选择搜索参数
搜索文章