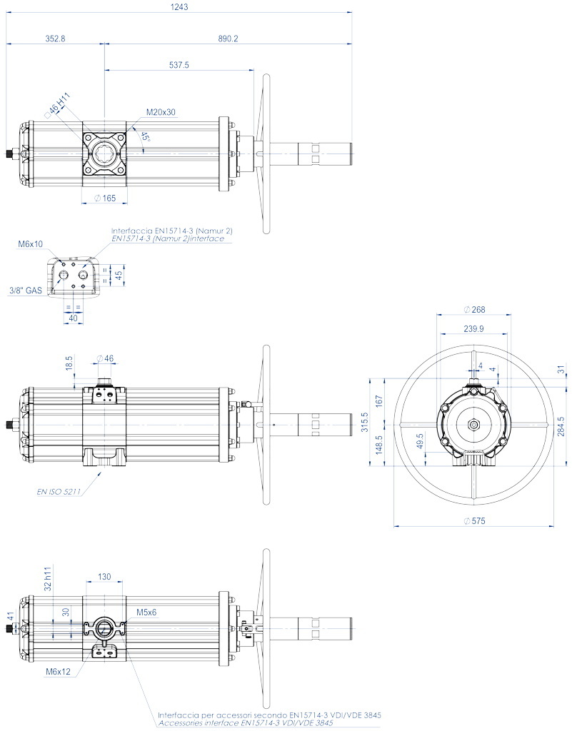
AGO - 铝制执行器 AGO HANDWHEEL - 带侧装一体化手轮执行器 AGO CF8M - CF8M铸造执行器 AGO 316 - 316锻造执行器 AGO A105 - A105碳钢执行器 AGO TWO STAGE - 两段式铝制气动执行器 AGO - 根据要求提供特殊版本 HEAVY DUTY的碳钢执行器 RACKON - 齿轮齿条式气动执行器 下载 总目录 下载 Actuator Accessories Catalogue 解码MAGNUM & THOR 配置您的产品 下载不同格式的2D和3D文件 下载 下载销售条款 宏 气动执行器 小类 AGO HANDWHEEL - 带侧装一体化手轮执行器 选择尺寸 申请详细信息 打印页面 下载目录 AGO HANDWHEEL - 带侧装一体化手轮执行器 优点 特性 特性 物料 规格 附件 文档 1.自润滑的密封滑动轴承降低活塞与缸筒之间的摩擦力;即便长期停用,亦可避免密封件与缸筒发生粘连。2.缸筒、套管和传动轴的硬度超过50 HRC更强的执行器内部抗力3.缸筒和活塞之间的滚动摩擦更小的摩擦力4.滚动摩擦的十字滑块(通过活塞和无传动装置的轴,将线性运动转换为旋转运动)。活塞和传动轴之间的摩擦力更小,从而减少零部件磨损打开和关闭时有着更强的起动扭矩相较于齿轮和齿条式执行器,其尺寸更小,安装空间需求更低相较于齿轮和齿条式执行器,其重量更小(-30% Kg/Nm),建造基础设施时可降低成本相较于齿轮和齿条式执行器,其耗气量更低,(双效:-40% 空气 cm³/Nm;单效:-20% 空气 cm³/Nm),能够有效降低压缩机的工作负荷,或直接使用小尺寸压缩机。5.滑动缸筒得益于较低的表面粗糙度(0.15μRa),可以降低轴承的磨耗。自DAN15型号起接埠NAMUR电磁阀的接口无需安装额外基座在OMAL自有设施内完成全部生产流程对加工各个阶段的最佳管控ATEX认证可安装于潜在易爆的环境内最高达SIL3等级的认证更高的运行安全等级 技术参数扭矩介于60Nm~3840Nm之间。法兰接口标准:EN ISO 5211F05 - F07 - F10 - F12 - F14 - F16符合15714-3标准旋转角度:92°(-1°,+91°)起动扭矩:与供应压力成正比;具体请参见表格。对于任意一台执行器,DA后的数字即对应于压力为5.6bar时的起动扭矩(Nm)。ATEX认证型号符合欧盟《2014/34/UE》ATEX防爆条例。*ATEX型号的代码末尾处添加“YX”运行条件温度:-20℃~+80℃。(特殊型号:高温=-20℃~+150℃;低温=-50℃~+60℃)额定压力:5.6bar;最高作业压力:8.4bar。流体源:无需润滑且经过滤的压缩空气。需要润滑时,请使用与NBR材质相兼容的油料。如有需要,我司制造的1/4转气动执行器可加装手动操纵装置。单效和双效型号均可集成这一装置。为了使系统良好运行并保持装置的机械完整,使用手动操纵装置执行任何操作之前,必须检查并确保气动执行器的压缩气体供应已断开。手动操纵装置可直接作用于气动执行器的主要机械传动组件,操纵手轮的扭矩符合EN 12570标准,输出扭矩值等于执行器的标定扭矩值。 DANV 60 ÷ DANV 1920 技术参数表 60 ÷ DANV 480代码DANV0060411SDANV0060412SDANV0106411SDANV0120411SDANV0180411SDANV0240411SDANV0360411SDANV0480411S密封套件KGGI0016VXKGGI0016VXKGGI0060VXKGGI0018VXKGGI0019VXKGGI0020VXKGGI0021VXKGGI0022VX尺寸DANV 60DANV 60DANV 106DANV 120DANV 180DANV 240DANV 360DANV 480ISOF04F05/F07F05/F07F05/F07F07/F10F07/F10F07/F10F10/F12A362,3362,3397,8410,5483510,5567,6634,4B1414171722222227C x dephtM5x8M6x9M6x9M6x9M8x12M8x12M8x12M10x15D x depth-M8x12M8x12M8x12M10x15M10x15M10x15M12x18E42505050707070102F-707070102102102125G1313131316171919H33,733,740,842,852,556,15857,4J1818181818181816K1414141414141416I1010121215151919L90,490,4103,3107137,5141,1148164,9M37,737,744,846,856,560,16272,9N52,752,758,560,281818692O16,516,519,319,324,824,824,329,5P32,732,738,540,251515662Q37,737,744,846,856,560,16272,9R14,514,516,21820,222,525,529S2020202030303030T70,470,483,387107,5111,1118134,9U9999118,5122,1144,9156,8169,6193,8V180180180180220220300300W (气体)1/8"1/8"1/8"1/8"1/8"1/8"1/8"1/4"X4444444-Y137,6137,6154,8163,9183,5199,1220,8236,4Z263,3263,3279,3288,4338,1353,7398440,6Ch1313171722222227转数1111131416181516 重量(Kg)2,82,844,56810,213,2 供气量(dm3/cycle)0,30,30,70,591,21,652,33,2* 从自然位置关闭/开启时的理论转速。 技术参数表 720 ÷ DANV 1920代码DANV0720411SDANV0960411SDANV0960412SDANV1440411SDANV1440412SDANV1920411SDANV1920412S密封套件 KGGI0023VXKGGI0024VXKGGI0025VXKGGI0026VX尺寸DANV 720DANV 960DANV 1440DANV 1920ISOF10/F12F10/F12F14F14F12F14F12/F16A720,1758758919,9919,9954,1954,1B27363636364646C x depthM10x15M10x15M16x24M16x24M12x18M16x24M12x18D x depthM12x18M12x18----M20x30E102102140140125140125F125125----165G19,519,519,519,519,518,518,5H61,5787886,586,599,299,2J16161616161616K16161616161616I22242427273232L178198198216216237,7237,7M78,593,593,5101,5101,5114,7114,7N99,5104,5104,5114,5114,5123123O29,538,538,538,538,548,548,5P69,574,574,584,584,59393Q78,593,593,5101,5101,5114,7114,7R31,836,536,541414646S30303030303030T148168168186186207,7207,7U216,6239,7239,7283,5283,5300,4300,4V350350350400400400400W (气体)1/4"1/4"1/4"1/4"1/4"1/4"1/4"X-------Y282,3297,1297,1365,6365,6382,9382,9Z503,5518,3518,3636,4636,4653,7653,7Ch27272736363636转数*19202526重量 (Kg)17,823,833,643供气量(dm3/cycle)4,66,059,712,9* 从自然位置关闭/开启时的理论转速。 DANV 3840 技术参数表 3840代码DANV3840E1600A密封套件KGGI0130VX代码DANV 3840ISOF16转数 30重量 (Kg)75供气量 (dm3/cycle)24,3* 从自然位置关闭/开启时的理论转速。 集成手动操纵装置的双效气动执行器的组件 - 尺寸:最高可达DANV1920 DANV1920及以下尺寸产品的材质位置名称Q.材质1螺栓1不锈钢2*滚珠轴承垫圈4合金钢3*滚珠轴承2合金钢4法兰1铝合金5定心环(仅用于DANV720)1铝合金6*O形圈(仅用于DANV720)1NBR7*O形圈2NBR8*O形圈1NBR9*O形圈1NBR10*O形圈1NBR11螺栓1不锈钢12弹簧1不锈钢13缸筒定距环1铝合金14*O 形圈1NBR15*密封盖1黄铜+NBR橡胶16封盖(经改装) 1铝合金17螺栓4不锈钢18*O形圈1NBR19手轮1合金钢20螺柱2不锈钢21保护管 1铝合金22透明管1PVC23保护盖1铝合金24销键1合金钢25*铆钉1合金钢26*定标圈1聚丙烯27操纵引导螺母1合金钢28螺纹衬套(仅用于DANV480)2不锈钢29特制弹簧压板1铝合金30固定销1合金钢31操纵螺杆1合金钢32*密封环(活塞)2聚碳酸酯33*活塞O形圈2NBR34活塞(经改装)1铝合金35*活塞支承盘4P.T.F.E. + 25%碳石墨填料36衬套2合金钢37传动轴2合金钢38*密封件2合金钢+NBR橡胶39螺栓2不锈钢40十字滑块1合金钢41支承轴1乙缩醛树脂42十字滑块塑料外杆1合金钢43十字滑块塑料内杆1合金钢44阀轴1不锈钢45支承滑套1乙缩醛树脂46下轴O形圈1FKM47缸筒1铝合金48轴上O形圈1FKM49止推轴承1乙缩醛树脂50垫圈 1不锈钢51Seeger 弹性圈1不锈钢52活塞(标准)1铝合金53*封盖O形圈 1NBR54封盖(标准)1铝合金55螺栓4不锈钢56*O形圈1NBR57螺柱1不锈钢58螺母1铝合金59O 形圈嵌杆1不锈钢*备件套装的组件 集成手动操纵装置的双效气动执行器的组件 - 尺寸:DANV3840 DANV3840 材质 位置名称数量材质1缸筒1铝合金2侧缸筒1铝合金3侧缸筒1铝合金4封盖(标准)1铝合金5*O 形圈1NBR6螺母1不锈钢7螺柱1不锈钢8活塞(标准)1铝合金9衬套2合金钢10*活塞支承盘4乙缩醛树脂11固定销2合金钢12传动轴2合金钢13十字滑块1合金钢14 阀轴1不锈钢15支承滑套1乙缩醛树脂16支承轴 1乙缩醛树脂17*封盖O形圈1NBR18*衬套(轴下)1乙缩醛树脂19*衬套(轴上)1乙缩醛树脂20*止推轴承1乙缩醛树脂21垫圈1不锈钢22*O 形圈3NBR23Seeger 弹性圈1不锈钢24阀轴6不锈钢25*轴下O形圈1FKM26*活塞O形圈 2NBR27*轴上O形圈 1FKM28*O 形圈2NBR29*引导轴承2PTFE碳石墨填料30螺母12不锈钢31活塞(经改装)1铝合金32*轴承(手轮)2聚氨酯33封盖(经改装) 1铝合金34操纵引导螺母1合金钢35特制弹簧压板1合金钢36*O 形圈1NBR37*定标圈1聚丙烯38手轮1合金钢39法兰1铝合金40*轴承2合金钢41阀轴8不锈钢42阀轴1不锈钢43垫圈1不锈钢44锁闭叉1铝合金45锁闭叉支架1铝合金46锁止钉1不锈钢47*O 形圈1NBR48阀轴3不锈钢49*铆钉1不锈钢50销键1不锈钢51阀轴6合金钢52*O 形圈1NBR53*O 形圈1NBR54*O 形圈1NBR55阀轴2不锈钢56*密封件2合金钢+NBR橡胶57*O 形圈1NBR58*O 形圈1NBR59*封盖2P.T.F.E60螺母1不锈钢61阀轴1不锈钢62安全螺栓1不锈钢63操纵螺杆1不锈钢64保护盖1铝合金65固定销1不锈钢66保护管1铝合金67可拆洗式保护管1铝合金* 备件套装的组件 带集成手动控制的执行器操作图 操作图气动执行机构“ DA” 配备限位器的信号盒 手动解锁操纵器 NAMUR 电磁阀 电磁阀 电气定位器(内置安全装置) 气动定位器 接近式限位器 机电式限位器 气动式限位器 抗爆燃限位器II2GD ExdIIC 证明书 ATEX - Pneumatic Actuators EAC TR CU 010/2011 - Pneumatic Actuators EAC TR CU 012/2011 - EX SIL EN 61508 - Actuators: SR, SRN, DA, DAN Type Approval Certificate for Marine and machinery systems and equipment 说明 ATEX MANUAL UITG0G01ATX 说明书 MANUAL UMAAPV00 选择 尺寸 选择搜索参数 -- 尺寸 -- DANV60 DANV106 DANV120 DANV180 DANV240 DANV360 DANV480 DANV720 DANV960 DANV1440 DANV1920 DANV3840 搜索文章