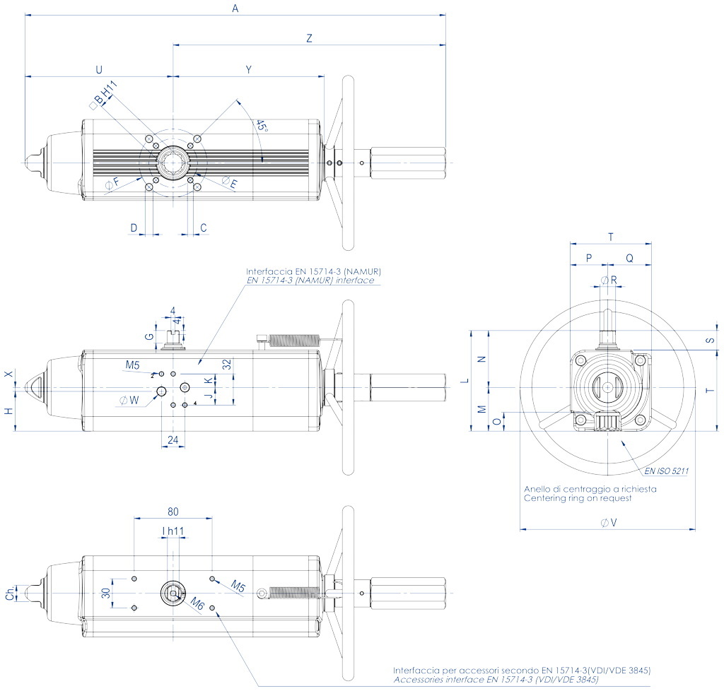
AGO - 铝制执行器 AGO HANDWHEEL - 带侧装一体化手轮执行器 AGO CF8M - CF8M铸造执行器 AGO 316 - 316锻造执行器 AGO A105 - A105碳钢执行器 AGO TWO STAGE - 两段式铝制气动执行器 AGO - 根据要求提供特殊版本 HEAVY DUTY的碳钢执行器 RACKON - 齿轮齿条式气动执行器 下载 总目录 下载 Actuator Accessories Catalogue 解码MAGNUM & THOR 配置您的产品 下载不同格式的2D和3D文件 下载 下载销售条款 宏 气动执行器 小类 AGO HANDWHEEL - 带侧装一体化手轮执行器 选择尺寸 申请详细信息 打印页面 下载目录 AGO HANDWHEEL - 带侧装一体化手轮执行器 优点 特性 特性 物料 规格 附件 文档 1.自润滑的密封滑动轴承降低活塞与缸筒之间的摩擦力;即便长期停用,亦可避免密封件与缸筒发生粘连。2.缸筒、套管和传动轴的硬度超过50 HRC更强的执行器内部抗力3.缸筒和活塞之间的滚动摩擦更小的摩擦力4.滚动摩擦的十字滑块(通过活塞和无传动装置的轴,将线性运动转换为旋转运动)。活塞和传动轴之间的摩擦力更小,从而减少零部件磨损打开和关闭时有着更强的起动扭矩相较于齿轮和齿条式执行器,其尺寸更小,安装空间需求更低相较于齿轮和齿条式执行器,其重量更小(-30% Kg/Nm),建造基础设施时可降低成本相较于齿轮和齿条式执行器,其耗气量更低,(双效:-40% 空气 cm³/Nm;单效:-20% 空气 cm³/Nm),能够有效降低压缩机的工作负荷,或直接使用小尺寸压缩机。5.滑动缸筒得益于较低的表面粗糙度(0.15μRa),可以降低轴承的磨耗。自DAN15型号起接埠NAMUR电磁阀的接口无需安装额外基座在OMAL自有设施内完成全部生产流程对加工各个阶段的最佳管控ATEX认证可安装于潜在易爆的环境内最高达SIL3等级的认证更高的运行安全等级 技术参数扭矩介于30Nm~1920Nm之间。法兰接口标准:EN ISO 5211F05 - F07 - F10 - F12 - F14 - F16符合15714-3标准旋转角度:92°(-1°,+91°)起动扭矩:返回时的起动扭矩仅取决于弹簧的运动,与供应压力无关。弹簧调教共有4种不同类型;具体请参见表格。弹簧顺时针旋转时,实现自动关闭。对于任意一台执行器,SR后的数字即对应于压力为5.6bar时的起动扭矩(Nm)。ATEX认证型号符合欧盟《2014/34/UE》ATEX防爆条例。*ATEX型号的代码末尾处添加“YX”运行条件温度:-20℃~+80℃。(特殊型号:高温=-20℃~+150℃;低温=-50℃~+60℃)额定压力:5.6bar;最高作业压力:8.4bar。流体源:无需润滑且经过滤的压缩空气。需要润滑时,请使用与NBR材质相兼容的油料。如有需要,我司制造的1/4转气动执行器可加装手动操纵装置。单效和双效型号均可集成这一装置。为了使系统良好运行并保持装置的机械完整,使用手动操纵装置执行任何操作之前,必须检查并确保气动执行器的压缩气体供应已断开。手动操纵装置可直接作用于气动执行器的主要机械传动组件,操纵手轮的扭矩符合EN 12570标准,输出扭矩值等于执行器的标定扭矩值。 SRNV 30 ÷ SRNV 960 技术参数表 SRNV30 ÷ SRNV 240代码SRNV0030401SSRNV0030402SSRNV0053401SSRNV0060401SSRNV0090401SSRNV0120401SSRNV0180401SSRNV0240401S密封套件KGGI0016VXKGGI0016VXKGGI0060VXKGGI0018VXKGGI0019VXKGGI0020VXKGGI0021VXKGGI0022VX尺寸SRNV 30SRNV 30SRNV 53SRNV 60SRNV 90SRNV 120SRNV 180SRNV 240ISOF04F05/F07F05/F07F05/F07F07/F10F07/F10F07/F10F10/F12A392,7392,7431,4457,7534,9558,5635700,8B1414171722222227C x depthM5x8M6x9M6x9M6x9M8x12M8x12M8x12M10x15D x depth-M8x12M8x12M8x12M10x15M10x15M10x15M12x18E42505050707070102F-707070102102102125G1313131316171919H33,733,740,842,852,556,15857,4J1818181818181816K1414141414141416I1010121215151919L90,490,4103,3107137,5141,1148164,9M37,737,744,846,856,560,16272,9N52,752,758,560,281818692O16,516,519,319,324,824,824,329,5P32,732,738,540,251515662Q37,737,744,846,856,560,16272,9R14,514,516,21820,222,525,529S2020202030303030T70,470,483,387107,5111,1118134,9U129,4129,4152,1169,3196,8204,8237260,2V180180180180220220300300W (气体)1/8"1/8"1/8"1/8"1/8"1/8"1/8"1/4"X4444444-Y137,6137,6154,8163,9183,5199,1220,8236,4Z263,3263,3279,3288,4338,1353,7398440,6Ch1313171722222227转数* 1111131416181516重量(Kg)3,23,24,55,36,8911,715,2供气量 (dm3/cycle)0,170,170,30,330,550,811,5* 从自然位置关闭/开启时的理论转速。 技术参数表 SRNV 360 ÷ SRNV 960代码SRNV0360401SSRNV0480401SSRNV0480402SSRNV0720401SSRNV0720402SSRNV0960401SSRNV0960402S密封套件KGGI0023VXKGGI0024VXKGGI0024VXKGGI0025VXKGGI0025VXKGGI0026VXKGGI0026VX尺寸SRNV 360SRNV 480SRNV 480SRNV 720SRNV 720SRNV 960SRNV 960ISOF10/F12F10/F12F14F14F12F14F12/F16A810,1842,4842,41035,41035,41067,71067,7B27363636364646C x depthM10x15M10x15M16x24M16x24M12x18M16x24M12x18D x depthM12x18M12x18----M20x30E102102140140125140125F125125----165G19,519,519,519,519,518,518,5H61,5787886,586,599,299,2J16161616161616K16161616161616I22242427273232L178198198216216237,7237,7M78,593,593,5101,5101,5114,7114,7N99,5104,5104,5114,5114,5123123O29,538,538,538,538,548,548,5P69,574,574,584,584,59393Q78,593,593,5101,5101,5114,7114,7R31,836,536,541414646S30303030303030T148168168186186207,7207,7U306,6324,1324,1399399414414V350350350400400400400W (气体)1/4"1/4"1/4"1/4"1/4"1/4"1/4"X-------Y282,3297,1297,1365,6365,6382,9382,9Z503,5518,3518,3636,4636,4653,7653,7Ch27272736363636转数19202025252626重量(Kg)19,528,128,138,838,850,650,6供气量(dm3/cycle)22,82,84,24,25,95,9* 从自然位置关闭/开启时的理论转速。 SRNV 1920 技术参数表SRNV 1920代码SRNV1920E1608A密封套件KGGI0230VX尺寸SRNV 1920ISOF16转数30重量 (kg)91供气量(dm3/cycle)12,5* 从自然位置关闭/开启时的理论转速。 集成手动操纵装置的单效气动执行器的组件 - 尺寸:最高可达SRNV960 SRNV960及以下尺寸产品的材质位置名称Q.材质1螺栓1不锈钢2*滚珠轴承垫圈4合金钢3*滚珠轴承2合金钢4法兰1铝合金5定心环(仅用于SRNV360)1铝合金6*O形圈(仅用于SRNV360)1NBR7*O形圈2NBR8*O形圈1NBR9*O形圈1NBR10*O形圈1NBR11螺栓1不锈钢12弹簧1不锈钢13缸筒定距环1铝合金14*O形圈1NBR15*密封盖1黄铜+NBR橡胶16封盖(经改装)1铝合金17螺栓4不锈钢18*O形圈1NBR19手轮1合金钢20螺柱2不锈钢21保护管1铝合金22透明管1PVC23保护盖1铝合金24销键1合金钢25弹簧2合金钢26*铆钉1合金钢27*定标圈1聚丙烯28操纵引导螺母1合金钢29螺纹衬套(仅用于SRNV240)2不锈钢30特制弹簧压板1铝合金31固定销1合金钢32操纵螺杆1合金钢33*密封环(活塞)2聚氨酯34*活塞O形圈2NBR35活塞(经改装)1铝合金36*活塞支承盘4PTFE+25%碳石墨填料37衬套2合金钢38旋转销2合金钢39*密封件2合金钢+NBR橡胶40螺栓2不锈钢41十字滑块1合金钢42支承轴1乙缩醛树脂43十字滑块塑料外杆1合金钢44十字滑块塑料内杆1合金钢45阀轴1不锈钢46支承滑套1乙缩醛树脂47轴下O形圈1FKM48缸筒1铝合金49轴上O形圈1FKM50止推轴承1乙缩醛树脂51垫圈1不锈钢52Seeger弹性圈1不锈钢53活塞(标准)1铝合金54弹簧预紧螺栓1不锈钢55弹簧压板(标准)1合金钢或铝合金56*封盖O形圈1NBR57封盖(标准)1铝合金58螺栓4不锈钢59*O形圈1NBR60螺母1铝合金61O形圈嵌杆(仅用于SRNV53-120-180-360)1不锈钢* 备件套装的组件 集成手动操纵装置的单效气动执行器的组件 - 尺寸:SRNV1920 材质 SRNV1920位置名称数量材质1缸筒1铝合金2缸筒1铝合金3缸筒1铝合金4封盖(标准)1铝合金5内弹簧支架1铝合金6外弹簧支架1铝合金7弹簧预紧螺栓1不锈钢8*O形圈1NBR9套箍螺帽1不锈钢10O形圈1NBR11O形圈1NBR12螺母1不锈钢13外弹簧2合金钢14内弹簧2合金钢15活塞(标准) 1铝合金16衬套2合金钢17*活塞支承盘4乙缩醛树脂18 固定销2合金钢19传动轴2合金钢20十字滑块1合金钢21阀轴1不锈钢22支承滑套1乙缩醛树脂23支承轴1乙缩醛树脂24*封盖O形圈1NBR25*衬套(轴下)1乙缩醛树脂26*衬套(轴上) 1乙缩醛树脂27*止推轴承1乙缩醛树脂28垫圈1不锈钢29*O形圈3NBR30Seeger 弹性圈1不锈钢31螺栓6不锈钢32*轴下O形圈1FKM33*活塞O形圈2NBR34*轴下O形圈1FKM35*O形圈2NBR36*引导轴承2P.T.F.E. 碳石墨填料37螺母12不锈钢38活塞(经改装)1合金钢39*轴承(手轮)2聚氨酯40封盖(经改装)1铝合金41操纵引导螺母1合金钢42*定标圈1聚丙烯43手轮1合金钢44法兰1铝合金45*轴承2合金钢46螺栓8不锈钢47螺栓1不锈钢48垫圈1不锈钢49锁闭叉1铝合金50锁闭叉支架1铝合金51锁止钉1不锈钢52保护盖1铝合金53螺栓3不锈钢54*铆钉1不锈钢55销键1不锈钢56螺栓6合金钢57*形圈1NBR58*O形圈1NBR59*O形圈1NBR60螺栓2不锈钢61*密封件2合金钢+NBR橡胶62*O形圈1NBR63*O形圈1NBR64*封盖2P.T.F.E65螺母1不锈钢66操纵螺杆1不锈钢67可拆洗式保护管1铝合金68固定销1不锈钢69特制弹簧压板1合金钢70*O形圈1NBR71*O形圈1NBR72螺栓1不锈钢73安全螺栓1不锈钢74保护管1铝合金* 备件套装的组件 带集成手动控制的执行器操作图 配备限位器的信号盒 手动解锁操纵器 NAMUR 电磁阀 电磁阀 电气定位器(内置安全装置) 气动定位器 接近式限位器 机电式限位器 气动式限位器 抗爆燃限位器II2GD ExdIIC 证明书 ATEX - Pneumatic Actuators EAC TR CU 010/2011 - Pneumatic Actuators EAC TR CU 012/2011 - EX SIL EN 61508 - Actuators: SR, SRN, DA, DAN Type Approval Certificate for Marine and machinery systems and equipment 说明 ATEX MANUAL UITG0G01ATX 说明书 MANUAL UMAAPV00 选择 尺寸 选择搜索参数 -- 尺寸 -- SRNV30 SRNV53 SRNV60 SRNV90 SRNV120 SRNV180 SRNV240 SRNV360 SRNV480 SRNV720 SRNV960 SRNV1920 搜索文章