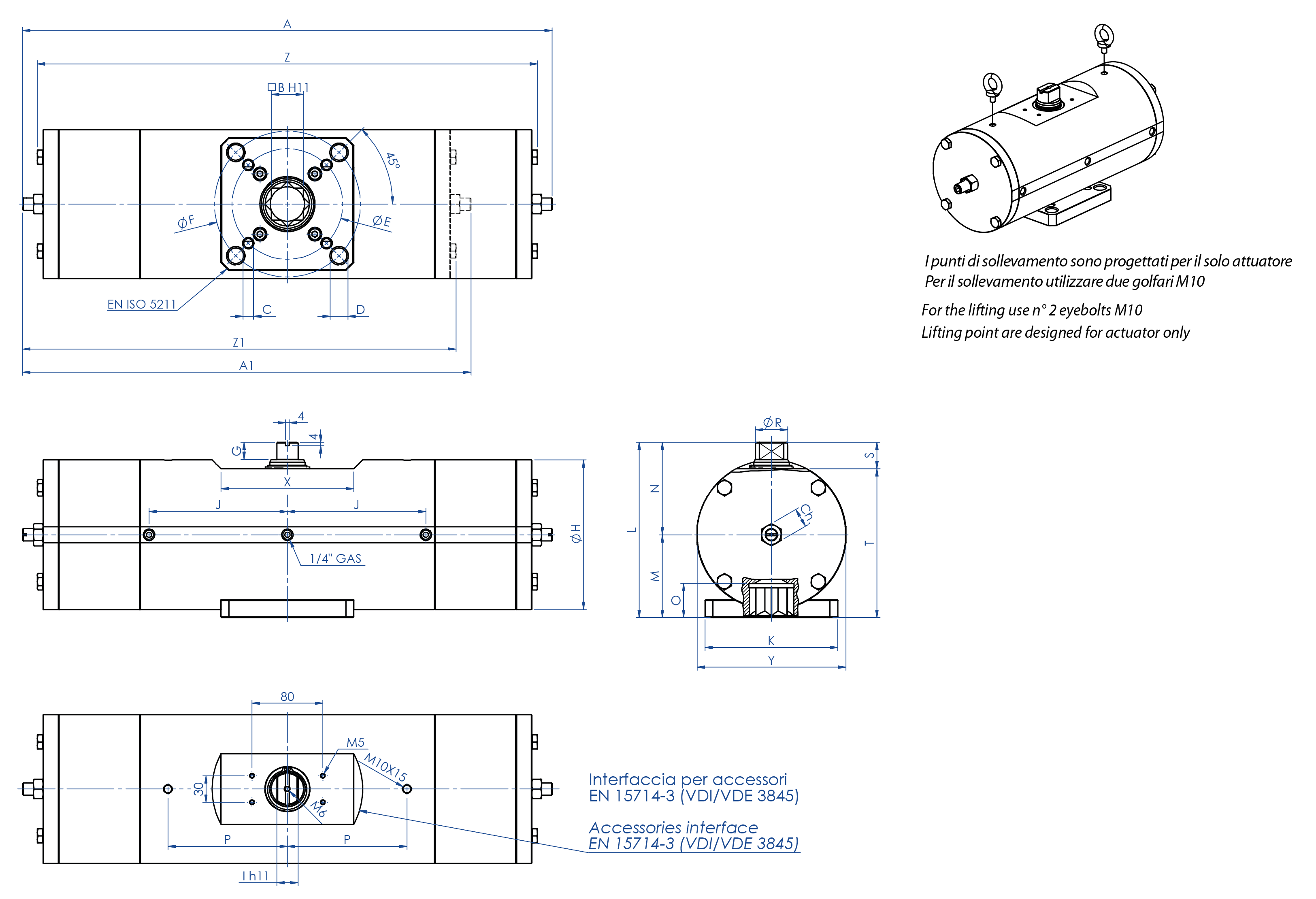
AGO - 铝制执行器 AGO HANDWHEEL - 带侧装一体化手轮执行器 AGO CF8M - CF8M铸造执行器 AGO 316 - 316锻造执行器 AGO A105 - A105碳钢执行器 AGO TWO STAGE - 两段式铝制气动执行器 AGO - 根据要求提供特殊版本 HEAVY DUTY的碳钢执行器 RACKON - 齿轮齿条式气动执行器 下载 总目录 下载 Actuator Accessories Catalogue 解码MAGNUM & THOR 配置您的产品 下载不同格式的2D和3D文件 下载 下载销售条款 宏 气动执行器 小类 AGO 316 - 316锻造执行器 选择尺寸 申请详细信息 打印页面 下载目录 AGO 316 - 316锻造执行器 优点 特性 特性 物料 规格 附件 文档 1.自润滑的密封滑动轴承降低活塞与缸筒之间的摩擦力;即便长期停用,亦可避免密封件与缸筒发生粘连。2.缸筒、套管和传动轴的硬度超过50 HRC更强的执行器内部抗力3.缸筒和活塞之间的滚动摩擦更小的摩擦力4.滚动摩擦的十字滑块(通过活塞和无传动装置的轴,将线性运动转换为旋转运动)。活塞和传动轴之间的摩擦力更小,从而减少零部件磨损打开和关闭时有着更强的起动扭矩相较于齿轮和齿条式执行器,其尺寸更小,安装空间需求更低相较于齿轮和齿条式执行器,其重量更小(-30% Kg/Nm),建造基础设施时可降低成本相较于齿轮和齿条式执行器,其耗气量更低,(双效:-40% 空气 cm³/Nm;单效:-20% 空气 cm³/Nm),能够有效降低压缩机的工作负荷,或直接使用小尺寸压缩机。5.滑动缸筒得益于较低的表面粗糙度(0.15μRa),可以降低轴承的磨耗。自DAN15型号起接埠NAMUR电磁阀的接口无需安装额外基座在OMAL自有设施内完成全部生产流程对加工各个阶段的最佳管控ATEX认证可安装于潜在易爆的环境内最高达SIL3等级的认证更高的运行安全等级 技术参数扭矩介于360Nm~960Nm之间。法兰接口标准:EN ISO 5211;F10 - F12 - F14 - F16符合15714-3标准旋转角度:92°(-1°,+91°)起动扭矩:返回时的起动扭矩仅取决于弹簧的运动,与供应压力无关。弹簧调教共有4种不同类型;具体请参见SR气动执行器产品目录中的表格。弹簧顺时针旋转时,实现自动关闭。对于任意一台执行器,SR后的数字即对应于压力为5.6bar时的起动扭矩(Nm)。ATEX认证型号符合欧盟《2014/34/UE》ATEX防爆条例。*ATEX型号的代码末尾处添加“YX”运行条件温度:-20℃~+80℃额定压力:5.6bar;最高作业压力:8.4bar。流体源:无需润滑且经过滤的压缩空气。需要润滑时,请使用与NBR材质相兼容的油料. 技术参数表代码SR0360416SSR0480416SSR0720424SSR0720416SSR0960416S密封备件KGXI0023KGXI0024KGXI0025KGXI0025KGXI0026尺寸·SR0360F10/F12SR0480F12/F16SR0720F12SR0720F14SR0960F12/F16A565,5598736,8736,8769,6A1 (2,8 Bar)483,5506630,8630,8645B2736363646C x depthM10x11,5M12x20M12x18M16x18M12x23D x depthM12x11,5M20x20--M20x23ØE102125125140125ØF125165--165G19,519,519,519,518,5ØH156169188188211I2224272732J138,5156,3179,5179,5192K115150130130150L178198216216237,7M78,593,5101,5101,5114,7N99,5104,5114,5114,5123O29,538,538,538,548,5P116135160160160Q-----Q2-----ØR31,836,5414146S3030303030S2-----T148168186186207,7T2-----X150150150150150Y155168187187209Z525,8565685685718,4Z1 (2,8 Bar)435,8473559,4559,4593,8Ch2222242424Ch1 (2,8 Bar)2424303030重量 (Kg)45,56082,582,5112重量 (2,8 Bar) (Kg)37,551777796供气量 (dm3/cycle) (l/cycle)2,002,84,204,205,9 杆件气动执行器的双作用和简单作用316 杆件气动执行器的双作用和简单作用: 316位置名称数量材质1缸筒1不锈钢2活塞2铝合金3封盖2不锈钢4阀轴1不锈钢5十字滑块1合金钢6滑套/支承套1乙缩醛树脂7上支撑环1乙缩醛树脂8支承滑套1乙缩醛树脂9十字滑块塑料外杆1合金钢10十字滑块塑料内杆1合金钢11钢套2合金钢12旋转销2合金钢13*密封环2聚氨酯14*支撑轴承4PTFE+碳石墨填料15*活塞O形圈2NBR16轴上O形圈1FKM17外支承环1乙缩醛树脂18垫片1不锈钢19Seeger弹性圈1不锈钢20下支承轴承1乙缩醛树脂21轴下O形圈1FKM22*封盖O形圈2NBR23螺栓8不锈钢24调整螺柱2不锈钢25调节O形圈2NBR26锁止螺母2不锈钢27固定法兰1不锈钢28螺栓4不锈钢29*封盖O形圈4NBR30缸筒定距环2不锈钢31弹簧2合金钢32弹簧压板2铝合金33弹簧预张紧螺栓2不锈钢* 备件套装的组件 配备限位器的信号盒 手动解锁操纵器 NAMUR 电磁阀 电磁阀 电气定位器(内置安全装置) 气动定位器 接近式限位器 机电式限位器 气动式限位器 抗爆燃限位器II2GD ExdIIC 证明书 ATEX - Pneumatic Actuators EAC TR CU 010/2011 - Pneumatic Actuators EAC TR CU 012/2011 - EX SIL EN 61508 - Actuators: SR, SRN, DA, DAN Type Approval Certificate for Marine and machinery systems and equipment 说明 ATEX MANUAL UITG0G01ATX USER MANUAL 8_0842 说明书 MANUAL UMA800081B 选择 尺寸 选择搜索参数 -- 尺寸 -- SR0360 SR0480 SR0720 SR0960 搜索文章