在我们的目录中搜索产品
球阀
蝶形阀
气动阀
气动执行器
电动执行器
执行器附件目

AGO A105 - DA双气动A105碳钢执行器

  • 优点
  • 特性
  • 特性
  • 物料
  • 规格
  • 附件
  • 文档

1.自润滑的密封滑动轴承
降低活塞与缸筒之间的摩擦力;
即便长期停用,亦可避免密封件与缸筒发生粘连。

2.缸筒、套管和传动轴的硬度超过50 HRC

更强的执行器内部抗力

3.缸筒和活塞之间的滚动摩擦

更小的摩擦力

4.滚动摩擦的十字滑块(通过活塞和无传动装置的轴,将线性运动转换为旋转运动)。

活塞和传动轴之间的摩擦力更小,从而减少零部件磨损
打开和关闭时有着更强的起动扭矩
相较于齿轮和齿条式执行器,其尺寸更小,安装空间需求更低
相较于齿轮和齿条式执行器,其重量更小(-30% Kg/Nm),建造基础设施时可降低成本
相较于齿轮和齿条式执行器,其耗气量更低,(双效:-40% 空气 cm³/Nm;单效:-20% 空气 cm³/Nm),能够有效降低压缩机的工作负荷,或直接使用小尺寸压缩机。

5.滑动缸筒

得益于较低的表面粗糙度(0.15μRa),可以降低轴承的磨耗

自DAN15型号起接埠NAMUR电磁阀的接口

无需安装额外基座

在OMAL自有设施内完成全部生产流程

对加工各个阶段的最佳管控

ATEX认证
可安装于潜在易爆的环境内

最高达SIL3等级的认证
更高的运行安全等级

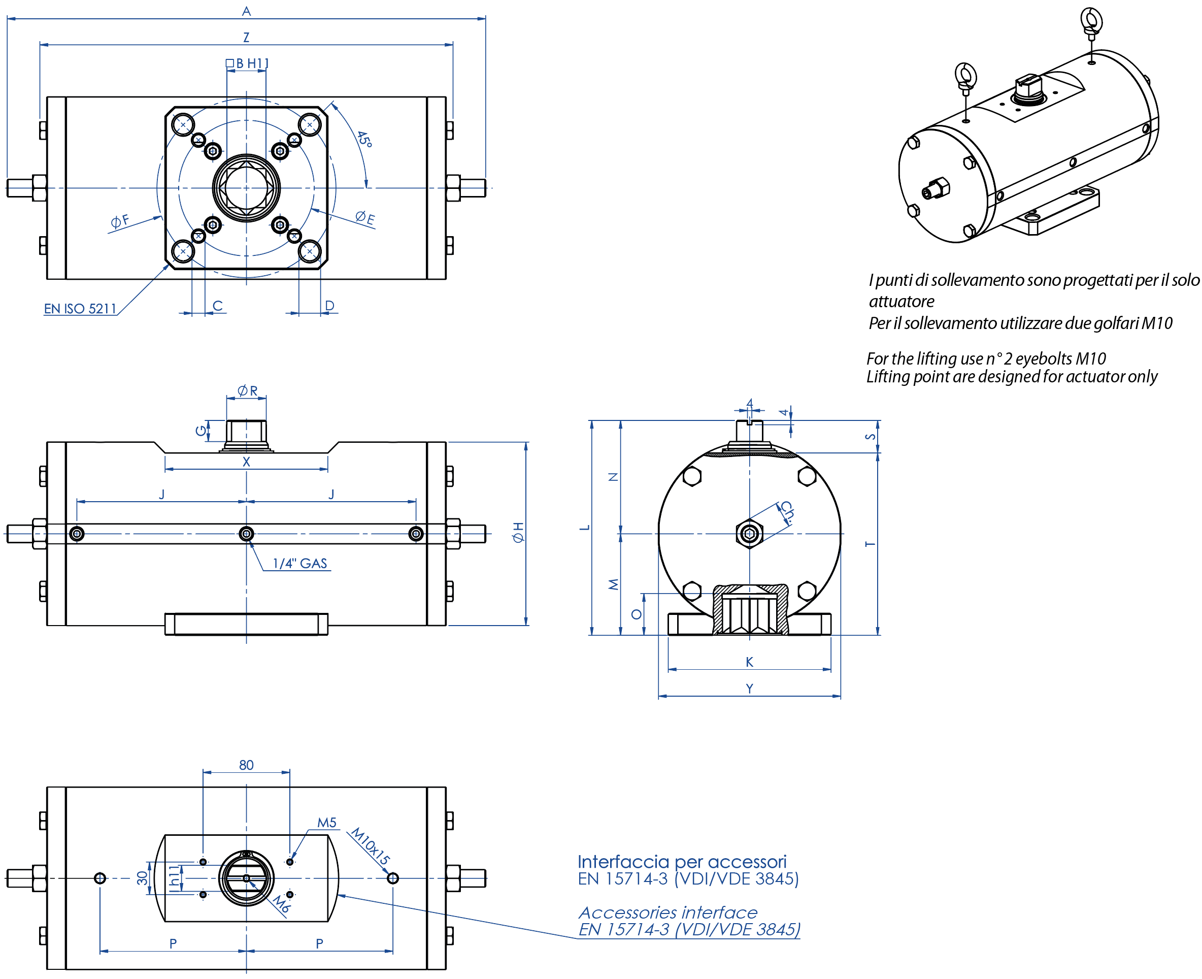
技术参数
扭矩介于720Nm~1920Nm之间。
法兰接口标准:EN ISO 5211
F10 - F12 - F14 - F16
符合EN 15714-3标准。
旋转角度:92°(-1°,+91°)
起动扭矩:与供应压力成正比;具体请参见DA气动执行器的表格。
对于任意一台执行器,DA后的数字即对应于压力为5.6bar时的起动扭矩(Nm)。
环氧树脂涂装的执行器
ATEX认证型号符合欧盟《2014/34/UE》ATEX防爆条例。*ATEX型号的代码末尾处添加“YX”

运行条件

温度:-20℃~+80℃
额定压力:5.6bar;最高作业压力:8.4bar。
流体源:无需润滑且经过滤的压缩空气。需要润滑时,请使用与NBR材质相兼容的油料

技术参数表  
代码
DAC0720416S
DAC0960416S
DAC1440424S
DAC1440416S
DAC1920416S
密封备件
KGXI0023
KGXI0024
KGXI0025
KGXI0025
KGXI0026
尺寸
DAC0720
F10/F12
DAC0960
F12/F16
DAC1440
F12
DAC1440
F14
DAC1920
F12/F16
A
401,5
441
524,8
524,8
562
B
27
36
36
36
46
C x depth
M10x11,5
M12x20
M12x18
M16x18
M12x23
D x depth
M12x11,5
M20x20
-
-
M20x23
ØE
102
125
125
140
125
ØF
125
165
-
-
165
G
19,5
19,5
19,5
19,5
18,5
ØH
156
169
188
188
211
I
22
24
27
27
32
J
138,5
156,3
179,5
179,5
192
K
115
150
130
130
150
L
178
198
216
216
237,7
M
78,5
93,5
101,5
101,5
114,7
N
99,5
104,5
114,5
114,5
123
O
29,5
38,5
38,5
38,5
48,5
P
116
135
160
160
160
ØR
31,8
36,5
41
41
46
S
30
30
30
30
30
T
148
168
186
186
207,7
X
150
150
150
150
150
Y
155
168
187
187
209
Z
345,8
381
433,8
433,8
469
Ch
24
24
30
30
30
重量 (Kg)
30
40
50,5
50,5
73
供气量 (dm3/cycle) (l/cycle)
3,50
4,9
7,60
7,60
10,2

杆件气动执行器的双作用和简单作用A105

杆件气动执行器的双作用和简单作用A105
位置
名称
数量
材质
1缸筒
1
2活塞
2铝合金
3封盖
2
4阀轴
1不锈钢
5十字滑块
1合金钢
6滑套/支承套
1乙缩醛树脂
7上支撑环
1乙缩醛树脂
8支承滑套
1乙缩醛树脂
9十字滑块塑料外杆1合金钢
10十字滑块塑料内杆
1合金钢
11钢套
2合金钢
12传动轴
2合金钢
13*密封环
2聚氨酯
14*支撑轴承
4

PTFE+碳石墨填料

15*活塞O形圈
2NBR
16轴上O形圈
1FKM
17外支承环
1乙缩醛树脂
18垫片
1不锈钢
19Seeger弹性圈
1不锈钢
20下支承轴承
1乙缩醛树脂
21轴下O形圈
1FKM
22*封盖O形圈
2NBR
23螺栓
8不锈钢
24调整螺柱
2不锈钢
25调节O形圈
2NBR
26锁止螺母
2不锈钢
27固定法兰
1
28螺栓
4不锈钢
29*封盖O形圈
4NBR
30缸筒定距环
2
31弹簧
2合金钢
32弹簧压板
2铝合金
33弹簧预张紧螺栓
2不锈钢
* 备件套装的组件

配备限位器的信号盒

手动解锁操纵器

NAMUR 电磁阀

电磁阀

电气定位器(内置安全装置)

气动定位器

接近式限位器

机电式限位器

气动式限位器

抗爆燃限位器II2GD ExdIIC

选择 尺寸
选择搜索参数
搜索文章