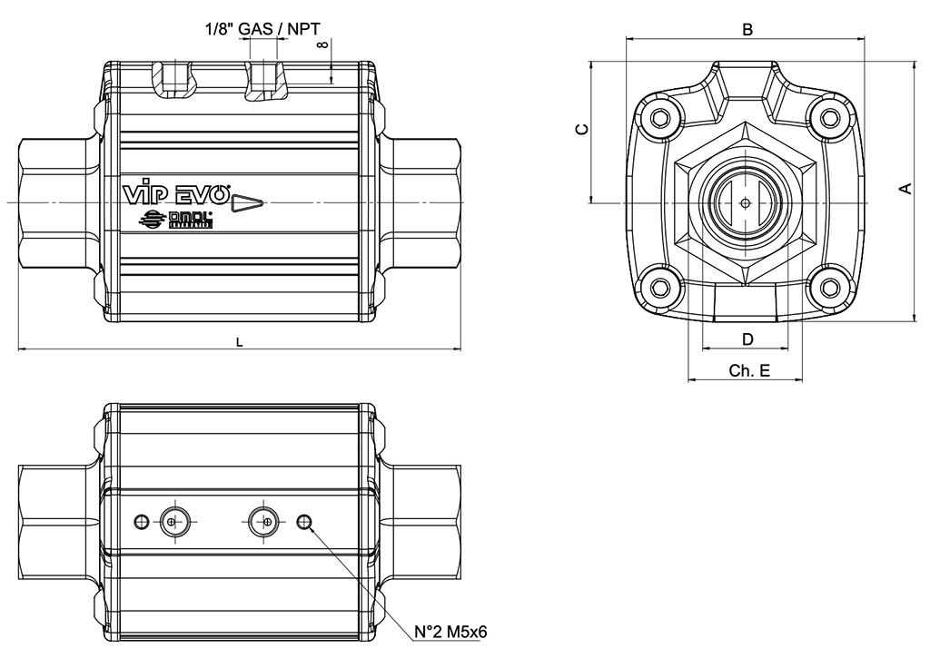
VIP-气动控制阀 VIP EVO 直通式流量阀 下载 总目录 下载 Actuator Accessories Catalogue 解码MAGNUM & THOR 配置您的产品 下载不同格式的2D和3D文件 下载 下载销售条款 宏 气动阀 小类 VIP EVO 配置 动力 申请详细信息 打印页面 下载目录 VIP EVO 优点 特性 特性 物料 图表和起动扭矩 规格 附件 文档 1.精心的几何设计,将负荷损失降至最低。经过对内部通道的流体动力学研究,旨在将流量效率最大化。2.单件产品集成执行器和阀门。相较于外接执行器阀门,单件产品的尺寸更小。3.化学镀镍活塞(20~25μm)更佳的抗腐蚀性能。得益于表面硬度的增强(400-550 Hv),密封件的磨损度更低。4.唇形密封件。相较于O形圈,密封件的磨损度更低。5.唇形密封件损失检验孔。通过检验孔,可以检查唇形密封件是否存在泄露现象,避免截止流体逆流至供气设施。6.支撑密封件的阀座架。可与化学品相容的316L材质阀座架。各类密封件。根据已装配的密封件类型(EPDM、NBR、FKM),可与大部分流体相容。集成式传感器装配座阀门位置传感器可安装在出入口两侧,优化产品尺寸。无外部机动组件。不会因机动组件造成人身伤害。可便捷地安装在任意位置。长效寿命保障。寿命10倍于球阀,降低维保费用。在OMAL自有设施内完成全部生产流程。在OMAL自有设施内完成全部生产流程。耗气量更低。耗气量较单效执行器驱动的阀门节约至少70%,因此可以有效降低压缩机负荷,或使用尺寸更小的压缩机。ATEX认证可安装于潜在易爆的环境内。PED认证完全符合欧盟有关加压装置的安全条例。 最高SIL3认证更高的运行安全水平。 常规参数:• 分为双效“DA”和单效“SR”(常开或常闭)两类型号,尺寸介于3/8"至2"。• 单向流通。• 指定方向最高压力40 bar (580 psi)。• GAS EN 10226-1 Rp (Ex ISO 7/1)螺纹接口 - DIN 2999;NPT。• 螺纹控制流体链接(可根据基座选装NAMUR)。• 通过对内部流体动力进行优化,将压力流失降至最低。• 可在任何装配位置(水平、垂直、倾斜)运转。• PTFE主密封件 + 玻璃填料。• 唇形密封件和O形圈:- NBR:兼容空气、天然气、油、水等;- FKM:多数流体兼容性极佳。建议用于蒸汽领域;- EPDM:热水和蒸汽兼容性极佳。不兼容矿物产品(油类、脂类等)。• 截止流体:因为与密封件和阀门制造材料相容,可流通1类或2类液体和气体。• 通过擒纵外置磁力感应限位开关(选装),即可控制阀门的打开和闭合。预采购内置磁力装置的VIP EVO产品,需在下达订单时明确告知。• 符合欧盟《2014/68/UE》加压装置条例。• 选装ATEX防爆(2014/34/UE)配置请在下订单时咨询。• 真空密封件:泄露率<5·10-5 mbar·l/s (全年室温条件下的气体数值低于2g)。控制流:• 免润滑过滤压缩气体;满足UNI EN 15714-3:2009标准。• 需要润滑时,请使用与密封件材质相兼容的油料。• 压力控制:- 双效:最低3bar(44 psi);最高8.5bar(123 psi)。- 单效常闭:最低4bar(58 psi);最高8.5bar(123 psi)。- 单效常开:最低4.5bar(65 psi);最高8.5bar(123 psi)。截止流体:• 压力:最高40bar (580 psi),具体参见参数图表。• 温度:NBR: -20℃~+80℃ (-4°F~176°F);EPDM和FKM:-20℃~+150℃(-4°F~302°F)。 VIP EVO PN40 / 580 psi 尺寸[公制]DN 公称直径mm10152025324050D 螺纹气体 / NPT 33/8”1/2”3/4”1”1”1/41”1/22”通径mm10,51620,826,633,54151Amm6373,585,594110123,5134Bmm566678,586103115,5123,5Lmm120134,5154159185211228ch. Emm22273441506070Cmm35,540,54751606672,5“DA”双效 - 气量dm3/cycle0,0240,0390,0740,0820,150,220,25“SR”单效 - 气量dm3/cycle0,0110,0210,0340,0370,070,100,13“DA”双效 - 重量Kg1,11,72,534,77,28SR”单效 - 重量Kg1,151,82,63,14,97,58,3驱动时间ms25/4030/5540/6045/7050/8070/120100/160尺寸[英制]D 螺纹气体 / NPT3/8”1/2”3/4”1”1”1/41”1/22”通径in0,410,630,821,051,321,612,01Ain2,482,893,373,704,334,865,28Bin2,202,603,093,394,064,554,86Lin4,725,306,066,267,288,318,98ch. Ein0,871,061,341,611,972,362,76Cin1,401,591,852,012,362,602,85"DA”双效 - 气量in3/cycle1,462,384,525,009,1513,4315,26“SR”单效 - 气量in3/cycle0,671,282,072,264,276,107,93“DA”双效 - 重量lb2,433,755,516,6110,3615,8717,64“SR”单效 - 重量lb2,543,975,736,8310,8016,5318,30驱动时间ms25/4030/5540/6045/7050/8070/120100/160 VIP EVO PN40 / 580 psi 材质位置介绍数量材质表面处理1执行器驱动气筒1铝黑色阳极防腐2输出端阀套1CW617N铜镀镍3输入端阀套1CW617N铜镀镍4活塞1CW617N铜镀镍5内侧支架1CW617N铜-6*阀座架1316L不锈钢-7*密封件115%玻璃填料PTFE-8*O形密封圈1NBR/EPDM/FKM-9*密封圈环形螺母1CW617N铜-10**唇形密封件2NBR/EPDM/FKM-11**控制活塞O形圈1NBR/EPDM/FKM-12**内测活塞O形圈2NBR/EPDM/FKM-13*阀套O形密封圈1NBR/EPDM/FKM-14*正面O形圈2NBR/EPDM/FKM-15**O形圈支架3NBR/EPDM/FKM-16封闭螺栓8A2-70-17垫圈1A2(304不锈钢)-18螺栓1A2-70-19弹簧1301不锈钢-20磁铁1塑料-铁-*主密封件替换套件。**完整替换套件(包含主密封件替换套件)。VIP EVO PN40 / 580 psi 替换套件代码NBRNBR密封件替换套件DN [mm][inch]主密封件替换套件完整替换套件103/8"KGEB203KGEB203C151/2"KGEB204KGEB204C203/4"KGEB205KGEB205C251"KGEB206KGEB206C321"1/4KGEB207KGEB207C401"1/2KGEB208KGEB208C502"KGEB209KGEB209CEPDMEPDM密封件替换套件DN [mm][inch]主密封件替换套件完整替换套件103/8"KGEE203KGEE203C151/2"KGEE204KGEE204C203/4"KGEE205KGEE205C251"KGEE206KGEE206C321"1/4KGEE207KGEE207C401"1/2KGEE208KGEE208C502"KGEE209KGEE209CFKMFKM密封件替换套件DN [mm][inch]主密封件替换套件完整替换套件103/8"KGEV203KGEV203C151/2"KGEV204KGEV204C203/4"KGEV205KGEV205C251"KGEV206KGEV206C321"1/4KGEV207KGEV207C401"1/2KGEV208KGEV208C502"KGEV209KGEV209C替换套件不适用于承载氧化流体的VIP EVO产品。 运行图 压力/温度图表 流量/压力损失和公称系数图表 运行原理气动截止阀VIP EVO是VIP阀门经过革新后的产品。VIP EVO整体而言是一台自动控制阀,在单台产品中即整合了截止机构(通过IN-OUT导通)和控制机构(A-B)。运行原理:活塞因控制流的压力而产生内部移动。活塞到达行程末端(VIP EVO为开/关阀)时,压住或松开密封座,即可打开或封闭截止流体的通路。鉴于密封件直接集成在阀座上,因此截止流体的压力即直接作用于阀座,而活塞移动所需的压力独立于截止流体。通过这种机制,可以有效控制阀门的重量和体积,同时确保阀门可以实现更多次的开闭操作。内部流体动力学经过专门研究,可以将湍流和压力丧失将至最低。 常闭阀门SR单效 - 常闭弹簧安置在“A1”腔内,此时若处于无控制状态,活塞将直接接触密封阀座的密封件:优先位置即为封闭位置。 常开阀门SR单效 - 常闭将空气送入控制孔“B”(孔“A”必须设置为排放),活塞抵达行程末端时,距离密封阀座最远,此时的阀门处于开启状态。 SR单效 - 常开将空气送入控制孔“A”(孔“B”必须设置为排放),活塞抵达行程末端时,压力直接作用于密封阀座上,此时的阀门处于封闭状态。 SR单效 - 常开弹簧安置在“B1”腔内,此时若处于无控制状态,活塞应远离密封阀座:优先位置即为开启位置。 DA双效 将空气送入控制孔“A”(孔“B”必须设置为排放),活塞抵达行程末端时,压力直接作用于密封阀座上,此时的阀门处于封闭状态。 磁力限位开关:请在下达订单时注明。 DA双效 将空气送入控制孔“B”(孔“A”必须设置为排放),活塞抵达行程末端时,压力直接作用于密封阀座上,此时的阀门处于封闭状态。 磁力限位开关:请在下达订单时注明。DA双效版本:内置防静电弹簧 NAMUR电磁阀电磁阀ER8188A2ER8188A4ER8188A5ER8188C2ER8188C4电压24V AC115V AC230V AC24V DC110V DC NAMUR标准5/2电磁阀电磁阀预置为:通过相应的电磁阀连接片,在5/2通道和3/2通道之间进行选择。• 吸收功率(直流):2.5 W• 吸收功率(交流):2 W• 供电电压公差:±10%。• 线圈绝缘等级:F。• 连接器防护等级:IP 65。• 电力连接:PG 9。气源连接:1/4"接口;排放1/4"-ISO 228。• 电磁阀最大压力:10 bar (145 psi)。• 供应流体温度:-10℃~+80℃(14°F~176°F)。• 环境温度:-10℃~+50°C(14°F~122°F)。 微型电磁阀电磁阀EP415024EP415110EP415220EP412012EP412024电压24V AC115V AC230V AC12V DC24V DC 紧凑式通用微型电磁阀• 电磁阀直接与执行器的气体接口相连,无需任何转接件和固定螺栓。• 配备线圈的3/2型电磁阀可匹配的电压如下所述:24-110-220V AC;12-24V DC。• 起动吸收功率 - 交流:9 VA。• 运行吸收功率 - 直流:5 W• 运行吸收功率 - 交流:6 VA。• 供电电压公差:±10%.• 铜缆绝缘等级:H。• 线圈绝缘等级:F。• 连接器防护等级:IP 65。• 电力连接:PG 9 (360°可定向)• 气体设施连接:1/8" ISO 228(360°可定向)。• 电磁阀最大压力:10 bar (145 psi)。• 供应流体温度:-10℃~+50°C(14°F~122°F)。• 环境温度:-10℃~+50°C(14°F~122°F)。• 通径的公称直径 1.3 mm (0.05 in)。 限位开关 VIP EVO产品安装有磁力感应限位开关和LED信号灯,且配套组件可以实现其与多数外部圆周形接口之间的快速固定。用于侦测限位器通过位置的磁铁位于其内部,因此亦可在VIP EVO装配和未处于下一相位时独立安装。出于这一目的,选装限位器需要在下订单时提出。 限位开关技术数据电动型号REED (PNP)HALL (PNP)HALL (PNP)触点类型N.O.N.O.N.O.供电电压V5-50 AC/DC10-30 DC10-30 DCAC整流输出电流mA350--DC整流输出电流mA500100100防护等级IP 67IP 69KIP 69K环境温度°C-25 ÷ +70-25 ÷ +85-25 ÷ +60°F-13 ÷ +158-13 ÷ +185-13 ÷ +140电缆数量333电缆长度m20,320,320,3ft6,560,986,560,986,560,98连接类型直连M12直连M12直连M12ATEX类别--II 3D Ex tc IIIC T125°C Dc X认证CE/UL/EAC/CCCCE/UL/EACCE Ex代码FM7B9200FM7B9112FM7C3200FM7C3112FM7A3200FM7A3112材质聚酰胺高聚体/不锈钢聚酰胺高聚体/不锈钢聚酰胺高聚体/不锈钢 限位开关接线类型 NAMUR接口座 证明书 ATEX - Pneumatic Valves EAC TR CU 010/2011 - Pneumatic Valves EAC TR CU 012/2011 - EX EAC TR CU 032/2013 - Ball Valves / Pneumatic Valves PED SIL IEC 61508 - VIP EVO 说明 ATEX MANUAL 8_0489-03 USER MANUAL 8_1532-20 USER MANUAL UIT00A90OX 说明书 8_1540 - VIP EVO Instruction Manual 配置 驾驶 选择搜索参数 -- 驾驶 -- 双效 DA + ONLY MAGNET WITHOUT LIMIT SWITCH 单效 常开 SPRING RETURN N.O. + ONLY MAGNET WITHOUT LIMIT SWITCH 单效 常闭 SPRING RETURN N.C. + ONLY MAGNET WITHOUT LIMIT SWITCH 搜索文章