在我们的目录中搜索产品
球阀
蝶形阀
气动阀
气动执行器
电动执行器
执行器附件目

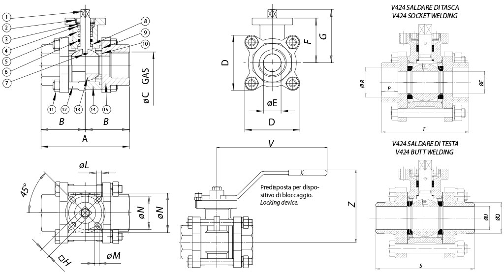
Item 424不锈钢球阀

Item 424不锈钢球阀
球阀

2通道PN63全通径螺纹接口或焊接式的3片结构精密铸造不锈钢球阀

配置 动力
申请详细信息
打印页面
  • 特性
  • 特性
  • 物料
  • 图表和起动扭矩
  • 文档

常规参数:
• 3片结构有助于简化需要高频率维护设施的保养流程。
• ISO 7/1标准螺纹头;对端焊接;承插焊接
• 球体的标准密封件采用纯PTFE材质
• 使用温度:-20℃~+180℃(参见图表)
• 使用压力:参见图表
• 截止流体:空气、水、天然气、石油和石化产品、腐蚀性流体。
• 适用于ISO 5211执行器的装配法兰
• 配备手柄的型号:集成挂锁系统

选装特殊配置:

• 密封件材质:

  • RPTFE(15%玻璃填料)
  • CTFE(25%碳石墨填料)
  • TFM1600。
  • 其他应用领域敬请咨询我司的销售部门。

认证:

• 符合欧盟《2014/34/UE》ATEX防爆条例
• 可选装ATEX认证型号
• 符合欧盟《2014/68/UE》加压装置条例

尺寸规格
尺寸
ABØE
DFGH
ØL
ØM
ØN
THREADED END
SOCKET WELDING ENDBUTT WELDING ENDVZ
DN [mm][inch]ØC
ØR
PTØU
ØQ
S
DN 081/4"
65
32,5
11,2
48,8
42
49,5
9
6636-42
1/4"
14,3
13,0
65,0
10,4
14,8
70
150
78,0
DN 103/8"
6532,5
12,6
48,8
42
49,5
9
6636-42
3/8"
17,7
13,0
65,0
13,7
18,5
70
150
78,0
DN 151/2"
7537,5
15,0
48,8
42
49,5
9
6636-42
1/2"
22,0
16,0
75,0
15,0
21,0
75150
78,0
DN 203/4"
8040,0
20,050,3
4553,5
9
6636-42
3/4"
27,5
16,0
80,0
21,4
28,3
90150
82,5
DN 251"
9045,0
25,0
64,05262,7
11
7642-501"
34,3
17,0
90,0
27,2
35,5
100200
91,5
DN 321" 1/4
11055,0
32,0
73,4
5767,711
7642-50
1" 1/4
43,0
20,0
110,0
35,5
43,7
110200
95,5
DN 401" 1/2
12060,0
38,0
82,0
6881,5
11
9750-701" 1/2
49,0
20,0
120,0
41,2
50,0
125250
112,0
DN 502"14070,0
50,8
94,3
7791,0
149750-70
2"
61,4
22,0
140,0
52,7
63,0
150250
118,5
DN 652"1/2
18592,5
65,0
165,0
100117
1711970-1022" 1/2
77,2
33,0
185,0
65,3
77,2
190300
140,0
DN 803"
205102,5
80,0
190,0
111127,7
1711970-102
3"
90,0
34,3
205,0
79,5
89,8
220300
151,0
DN 1004"
240120,0
100,0
240,0138159,8
221311102-1254"
115,4
41,0
240,0
102,3
115,4
270400178,0

材质
1
阀杆
316 不锈钢
1.4401
UNI X5CrNiMo 17 12
2
顶封螺母
304 不锈钢
1.4301
UNI X5CrNi 18 10
3
碟型弹簧
301 不锈钢
1.4310
UNI X12CrNi 17 07
4
密封顶环
304 不锈钢
1.4301
UNI X5CrNi 18 10
5*
阀杆密封件
P.T.F.E.


6*
O形圈
FKM


7
防静电装置
316 不锈钢
1.4401
UNI X5CrNiMo 17 12
8*
密封件
P.T.F.E.


9*
球体定心密封
P.T.F.E.


10*
球体密封件
P.T.F.E.


11
螺母
304 不锈钢
1.4301
UNI X5CrNi 18 10
12
双头螺栓
304 不锈钢
1.4301
UNI X5CrNi 18 10
13
球体
316 不锈钢
1.4401
UNI X5CrNiMo 17 12
14
阀体
316 不锈钢
1.4408

15
套管
316 不锈钢
1.4408

* KGBV60备件套装的组件...

压力/温度图表

流量/压力损失图表和公称系数Kv

流量系数Kv的数值等于压降为1 bar时的流量值(单位为m3/h,水温为15℃)。

起动扭矩(Nm)

尺寸

DN 8 1/4"
DN 10 3/8"
DN 15 1/2"
DN 20 3/4"
DN 25
1"
DN 32 1"1/4
DN 40 1"1/2
DN 50
2"
DN 65 2"1/2
DN 80
3"
DN 100
4"
PN 63 bar
6
7
8
10
14
20
29
42
85
146
235


扭矩值可能因温度和流体类型的影响而出现变化。纳入考虑的安全因子为1.4。
在频繁开闭的循环条件下,操纵扭矩可能会略低于初始扭矩。后文中列示的执行器/阀门装配以平均温度下截止洁净的液体或气体时为准。欲了解详情或其他应用方式,请联络我司的销售部门。

配置 驾驶
选择搜索参数
搜索文章