在我们的目录中搜索产品
球阀
蝶形阀
气动阀
气动执行器
电动执行器
执行器附件目

Item 216铸铁球阀

Item 216铸铁球阀
球阀

2通道全通径螺纹法兰接口铸铁球阀

配置 动力
申请详细信息
打印页面
  • 特性
  • 特性
  • 物料
  • 图表和起动扭矩

常规参数:
• 法兰标准:EN 1092/2 PN16
• 阀轴标准:EN558/1 (ISO 5752)
• 运行温度:-10℃~+70℃
• 运行压力:最高16Bar (线路末端为10Bar),具体请参见图表
• 截止流体:城市天然气、液化气和符合UNI-CIG 7129标准及DIN-DVGW 气体列示表格G 260/I的可燃气体。

选装特殊配置:

• PN6 - PN10
• 有关其他应用领域,请联络我司的销售部门

认证:

• 已获得截止G260表格内可燃气体的DIN-DVGW许可


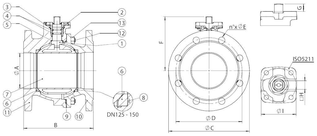
尺寸规格
尺寸
øA
B
øC
øD
øE
F
G
□H
øI
DN [mm]
[inch]
DN 50
2"
50
150
165
125
4x18
100,5
13,5
14
50
DN 65
2" 12
63
170
185
145
4x18
108,5
13,5
14
50
DN 80
3"
76
180
200
160
8x18
133
15
17
70
DN 100
4"
95
190
220
180
8x18
147,5
15
17
70
DN 125
5"
120
200
250
210
8x18
186
21
22
102
DN 150
6"
145
210
285
240
8x22
203,5
21
22
102


  材质
1
阀杆
镀铬黄铜
CuZn40Pb2
2
环型螺母
镀铬黄铜
CuZn40Pb2
3
顶部O形密封圈
NBR

4
阀杆O形密封圈
NBR

5
  抗磨环
P.T.F.E.

6
侧密封件
P.T.F.E.

7
球体
黄铜
CuZn40Pb2
8
O形圈
NBR

9
阀体O形密封圈
NBR

10
法兰
球墨铸件
EN GJS 400-15
11
阀体
球墨铸件
EN GJS 400-15
12
双头螺栓
镀锌碳钢
13
锁止螺母
镀锌碳钢

压力/温度图表

流量/压力损失图表和公称系数Kv

流量系数Kv的数值等于压降为1 bar时的流量值(单位为m3/h,水温为15℃)。

起动扭矩(Nm) 
尺寸
DN 50
2"
DN 65
2"1/2
DN 80
3"
DN 100
4"
DN 125
5"
DN 150
6"
PN 16 bar
38
68
112
171
298
445


扭矩值可能因温度和流体类型的影响而出现变化。纳入考虑的安全因子为1.4。
在频繁开闭的循环条件下,操纵扭矩可能会略低于初始扭矩。后文中列示的执行器/阀门装配以平均温度下截止洁净的液体或气体时为准。欲了解详情或其他应用方式,请联络我司的销售部门。

配置 驾驶
选择搜索参数
搜索文章