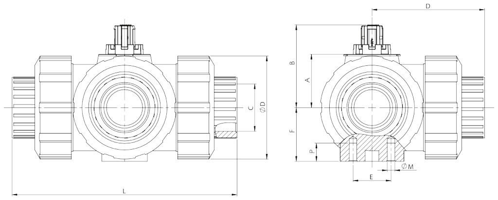
MAGNUM THOR PROCHEMIE 60 HERCULES KRATOS SUPREME TRUNNION 其他黄铜球阀 其他铸铁球阀 其他不锈钢球阀 其他碳素钢球阀 其他PVC材质球阀 下载 总目录 下载 Actuator Accessories Catalogue 解码MAGNUM & THOR 配置您的产品 下载不同格式的2D和3D文件 下载 下载销售条款 宏 球阀 小类 其他PVC材质球阀 配备“T”形或“L”形球体的3通道全通径螺纹接口或适用粘接的PVC球阀ITEM 635接合:螺纹接口“T”形球体阀门ITEM 636接合:螺纹接口“L”形球体阀门ITEM 637接合:粘接“T”形球体阀门ITEM 638接合:粘接“L”形球体阀门 配置 动力 申请详细信息 打印页面 下载目录 其他PVC材质球阀 特性 特性 物料 图表和起动扭矩 规格 常规参数:• 混合3种密封件的分流阀。关闭三个流量通道中的一个时,可将流体导流至各个方向。• 使用温度:0℃~+60℃• 使用压力:参见图表• 应用领域:不会与破坏PVC材质化学耐性的化学物质和流体。• 接口:DIN/ISO 228/1标准螺纹母头;ISO 727 UNI EN 1452标准粘接工艺 • 若流体兼容阀门的化学耐性,PN 10可达25℃。选装特殊配置:• 请联络我司的销售部门。 尺寸规格尺寸ABC螺纹C粘接D螺纹D粘接EFL螺纹L粘接øMPøQDN[mm][inch]DN 103/8"26,1413/8"16545225281131096850DN 151/2"26,1411/2"20565425281171126850DN 203/4"3048,53/4"25666425321351316858DN 251"35,2551"32747225361551516868DN 321" 1/44466,91" 1/440899045451791818984DN 401" 1/250,273,11" 1/250102,510545512012058997DN 502"6289,42"63130,5133,5456525526189124 材质1阀体PVC-U2球体密封支架 PVC-U3套管PVC-U4环型螺母PVC-U5球体密封件PTFE6阀座背向O形圈EPDM7球体PVC-U8阀杆PVC-U9内杆O形圈EPDM10末端O形密封圈EPDM11阀体O形圈EPDM12装配嵌件不锈钢 压力/温度图表 流量/压力损失和公称系数Kv“L”形球体DN10DN15DN20DN25DN32DN40DN50Kv10050751502804806201230KV100 litri al minutoKV34,5916,828,837,273,8KV metricubi/ora"T”形球体DN10DN15DN20DN25DN32DN40DN50Kv100140200470793129019103100KV100 litri al minutoKV8,41228,247,277,4114,6186KV metricubi/ora流量系数Kv的数值等于压降为1 bar时的流量值(单位为m3/h,水温为15℃)。 起动扭矩(Nm) 尺寸DN 10 3/8"DN 15 1/2"DN 20 3/4"DN 251"DN 32 1"1/4DN 40 1"1/2DN 502"PN 10 bar22345,57,510扭矩值可能因温度和流体类型的影响而出现变化。纳入考虑的安全因子为1.4。在频繁开闭的循环条件下,操纵扭矩可能会略低于初始扭矩。后文中列示的执行器/阀门装配以平均温度下截止洁净的液体或气体时为准。欲了解详情或其他应用方式,请联络我司的销售部门。 “L”形球体示意图注意:执行器SR常闭时,球体的待命位置必须为“A”。执行器SR常开时,球体的待命位置必须为“B”。 从上面看 “T”形球体示意图 搭配执行器使用时,仅存在两个旋转90°的方位:有关球体配置,敬请联络我司的销售部门。注意:执行器SR常闭时即可选择球体的待命位置;流体供应时,应逆时针旋转执行器。执行器SR常开时即可选择球体的待命位置;流体供应时,需顺时针旋转执行器。 从上面看 配置 驾驶 选择搜索参数 -- 驾驶 -- 自由轴+T螺纹端口 自由轴+L螺纹端口 自由轴+T端口粘接 自由轴+L端口粘接 手柄+T螺纹端口 手柄+L螺纹端口 手柄+T端口粘接 手柄+L端口粘接 DA双效气动执行器+“T”螺纹端口阀门 DA双效气动执行器+“L”螺纹端口阀门 DA双效气动执行器+“T”型端口粘接阀门 DA双效气动执行器+“L”型端口粘接阀门 SR单效气动执行器+“T”螺纹端口阀门 SR单效气动执行器+“L”螺纹端口阀门 SR单效气动执行器+“T”型端口粘接阀门 SR单效气动执行器+“L”型端口粘接阀门 搜索文章