在我们的目录中搜索产品
球阀
蝶形阀
气动阀
气动执行器
电动执行器
执行器附件目

MAGNUM Wafer 碳钢球阀 PN 16-40 ANSI 150-300

MAGNUM Wafer 碳钢球阀 PN 16-40 ANSI 150-300
球阀
小类 MAGNUM

家族 MAGNUM Wafer PN 16-40 ANSI 150-300

配置 动力
申请详细信息
打印页面
产品代码解码
  • 优点
  • 特性
  • 尺寸
  • 物料
  • 图表和起动扭矩
  • 附件
  • 文档

1.防静电装置(球体、阀杆和阀体间存在常电)
此装置可以避免在易燃和/或易爆环境中静电荷的聚集
阀门在整个寿命周期中的接触安全均具有保障

2.双抗磨环
借助更低的扭矩即可操纵阀门;
相较于单环装置,双环的磨损在运行中更低

3.3组密封件组成的V形密封套件和+O形圈

达到较高的循环次数后,仍能保证完美的密封性

4.阀杆密封件上的碟型弹簧

封堵因轴的半周旋转磨损而形成的间隙,避免内容物外泄;
确保雪佛龙密封套件(V形)保持紧致,避免在温差显著的环境中出现内容物外泄。

5.石墨弹性密封件 可选装

确保外端密封性不受阀门所在环境的温差影响

得益于粗加工至细加工的单一定位,实现更高的轴向对齐精度
更佳的阀门寿命
更小的操纵扭矩

依照执行标准,采用NACE规范认证材料打造的碳钢阀体

更佳的耐腐蚀性保障
更强的材料韧性

在OMAL自有设施内完成全部生产流程

对加工各个阶段的最佳管控
按照客户的需求可快速供货

“Fire Safe”认证

阀门在火灾环境下的密封性保障

ATEX认证

可安装于潜在易爆的环境内

“TA LUFT排放泄漏”认证

更高的阀杆外端密封性保障

PED认证

完全符合欧盟有关加压装置的安全条例

最高达SIL3等级的认证

更高的运行安全等级


标准配置
• 全包裹式浮动球体,全通径
• TFM 1600密封软座
• 法兰接口标准:EN 1092-1;ASME B16.5
• 使用温度请查阅压力/温度图表
• 压力等级:PN16-40;ANSI 150-300
• 密封等级:EN12266-1 A级
• 截止流体:空气、水、天然气、石油和石化产品。
• EN12266-2 防静电装置
• 阀杆密封:TFM 1600材质多层V形密封套件
• 阀杆额外密封件为FKM材质的O形圈
• 防喷溅阀杆
• 适用于ISO5211执行器的孔位设计
• 封闭角度>7°
• 表面抛光处理
 选装执行
• LF2型可在-40℃环境下运行,有关其他法兰接口类型的详情,请联络我司的销售部门
• 加热套。
• 密封件材质:玻璃填料PTFE(RPTFE-GF),碳石墨填料PTFE(RPTFE-CF)。有关其他类型的材料,请联络我司的销售部门
• 单向运行+球体压力补偿孔
• 不锈钢手柄;不锈钢螺母和阀杆弹簧。有关标准之外的材质(阀体/球体/阀杆),请联络我司的销售部门
• 表面处理:镀锌、环氧树脂涂装(有关其他处理方式,请联络我司的销售部门)。
• 可选装ATEX标识和认证

认证

• 符合欧盟《2014/68/UE》加压装置条例。
• 挥发性排放标准ISO 15848 (ISO FE BH-C03-SSA 0)。
• TA-LUFT VDI 2440。
• 防火安全:ISO 10497/API 607。
• 安全等级最高可达SIL 3,符合IEC 61508的规定。
• 符合欧盟《2014/34/UE》ATEX防爆条例,可选装ATEX认证型号。

设计准则

• 阀体厚度满足:ASME B16.34, ASME VIII div.1, EN 12516。
• 材质和评级满足ANSI标准阀门的ASME B16.34规范,PN标准阀门满足EN 12516规范

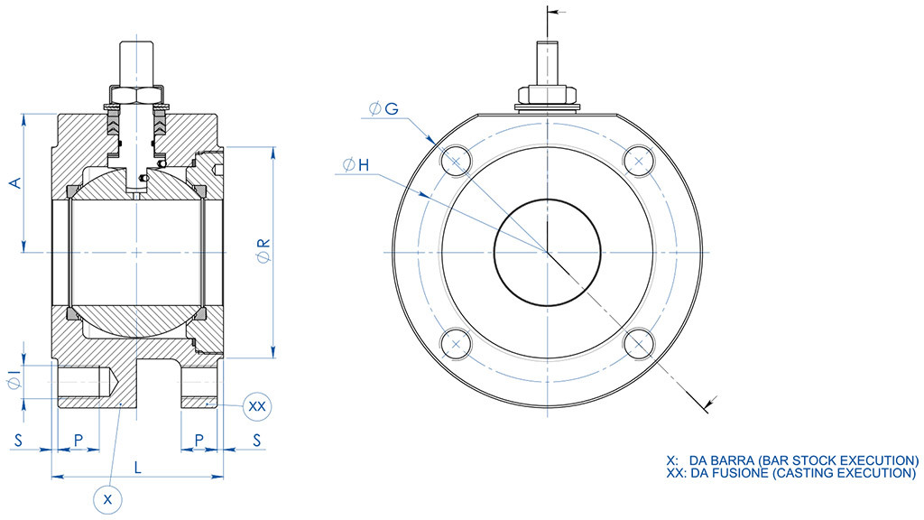
尺寸规格
尺寸 
∅E
L
B
C
SO
∅M
∅N
F/T
H
Y
尺寸

DN [mm]
[inch]
DN 15
1/2"
13
36
52
10
F03
36
M5
10/6
71
140
KLV58004
DN 20
3/4"
19
39
55
10
F03
36
M5
10/6
73
140
KLV58004
DN 25
1"
25
43
68
15
F04
42
M5
12/8
87
150
KLV58006
DN 32
1" 1/4
32
51 o 54
73
15
F04
42
M5
12/8
91
150
KLV58006
DN 40
1" 1/2
38
63
93
21
F05
50
M6
16/10
108
275
KLV58008
DN 50
2"
51
83
102
21
F05
50
M6
16/10
118
275
KLV58008
DN 65
2" 1/2
64
107
130,5
28
F07
70
M8
22/14
143
350
KLV58010
DN 80
3"
76
120
137,5
28
F07
70
M8
22/14
150
350
KLV58010
DN 100
4"
95
152
166
35
F10
102
M10
30/18
192
450
KLV58012


 除51mm面对面的DN32之外,所有阀门均为内球包裹式。

-PN- 尺寸规格
尺寸
PN
A
∅G
∅R
S
∅H

∅I
P
L
Kg. (X)
Kg. (XX)
密封套件
DN [mm]
[inch]
DN 15
1/2"
PN 16-40
32
90
45
1
65
4
M12
14
36
1,4
-
KGBV480040
DN 20
3/4"
PN 16-40
35
100
58
2
75
4
M12
14
39
1,8
-
KGBV480050
DN 25
1"
PN 16-40
42
110
68
2
85
4
M12
16
43
2,5
-
KGBV480060
DN 32
1" 1/4
PN 16-40
47
130
78
2
100
4
M16
20
51*
4,0
-
KGBV480070
DN 32
1" 1/4
PN 16-40
47
130
78
2
100
4
M16
20
54
4,3
-
KGBV480070
DN 40
1" 1/2
PN 16-40
58
140
88
3
110
4
M16
20
63
5,9
-
KGBV480080
DN 50
2"
PN 16-40
67
150
102
3
125
4
M16
20
83
8,9
6,3
KGBV480090
DN 65
2" 1/2
PN16
83
178
122
3
145
4
M16
20
107
16,2
9,7
KGBV480100
DN 65
2" 1/2
PN 25-40
83
178
122
3
145
8
M16
20
107
16,1
-
KGBV480100
DN80
3"
PN 16-40
90
190
138
3
160
8
M16
20
120
20,0
12,5
KGBV480110
DN 100
4"
PN16
101
220
160
3
180
8
M16
20
152
34,0
20,3
KGBV480120
DN 100
4"
PN 25-40
105
235
162
3
190
8
M20
25
152
39,1
-
KGBV480120

-ANSI-尺寸规格
尺寸
ANSI
A
∅G
∅R
S
∅H
密封套件
∅I
P
L
Kg. (X)
密封套件
DN [mm]
[inch]
DN 15
1/2"
ANSI 150
32
90
45
1
60,3
4
1/2”UNC
14
36
1,4
KGBV480040
DN 15
1/2"
ANSI 300
34
90
45
1
66,7
4
1/2”UNC
14
36
1,4
KGBV480040
DN 20
3/4"
ANSI 150
35
100
52
1,6
69,8
4
1/2”UNC
14
39
1,8
KGBV480050
DN 20
3/4"
ANSI 300
40
110
52
1,6
82,5
4
5/8”UNC
15
39
2,1
KGBV480050
DN 25
1"
ANSI 150
42
110
60
1,6
79,4
4
1/2”UNC
16
43
2,5
KGBV480060
DN 25
1"
ANSI 300
45
118
60
1,6
88,9
4
5/8”UNC
16
43
2,9
KGBV480060
DN 32
1" 1/4
ANSI 150
47
118
72
1,6
89
4
1/2”UNC
20
54
3,8
KGBV480070
DN 32
1" 1/4
ANSI 300
47
130
72
1,6
98,4
4
5/8”UNC
20
54
4,3
KGBV480070
DN 40
1" 1/2
ANSI 150
58
127
82
1,6
98,4
4
1/2”UNC
20
63
5,1
KGBV480080
DN 40
1" 1/2
ANSI 300
58
150
82
1,6
114,3
4
3/4”UNC
25
63
7,0
KGBV480080
DN 50
2"
ANSI 150
67
150
102
1,6
120,6
4
5/8”UNC
20
83
9,1
KGBV480090
DN 50
2"
ANSI 300
73
160
102
1,6
127,0
8
5/8”UNC
20
83
10,4
KGBV480090
DN 65
2" 1/2
ANSI 150
83
178
122
1,6
139,7
4
5/8”UNC
20
107
16,4
KGBV480100
DN 65
2" 1/2
ANSI 300
89
190
122
1,6
149,2
8
3/4”UNC
25
107
18,6
KGBV480100
DN 80
3"
ANSI 150
90
190
135
1,6
152,5
4
5/8”UNC
20
120
20,4
KGBV480110
DN 80
3"
ANSI 300
96
205
138
1,6
168,3
8
3/4”UNC
25
120
24,0
KGBV480110
DN 100
4"
ANSI 150
101
220
160
1,6
190,5
8
5/8”UNC
20
152
34,0
KGBV480120
DN 100
4"
ANSI 300
115
250
160
1,6
200,0
8
3/4”UNC
25
152
46,4
KGBV480120

 *半包裹式球体

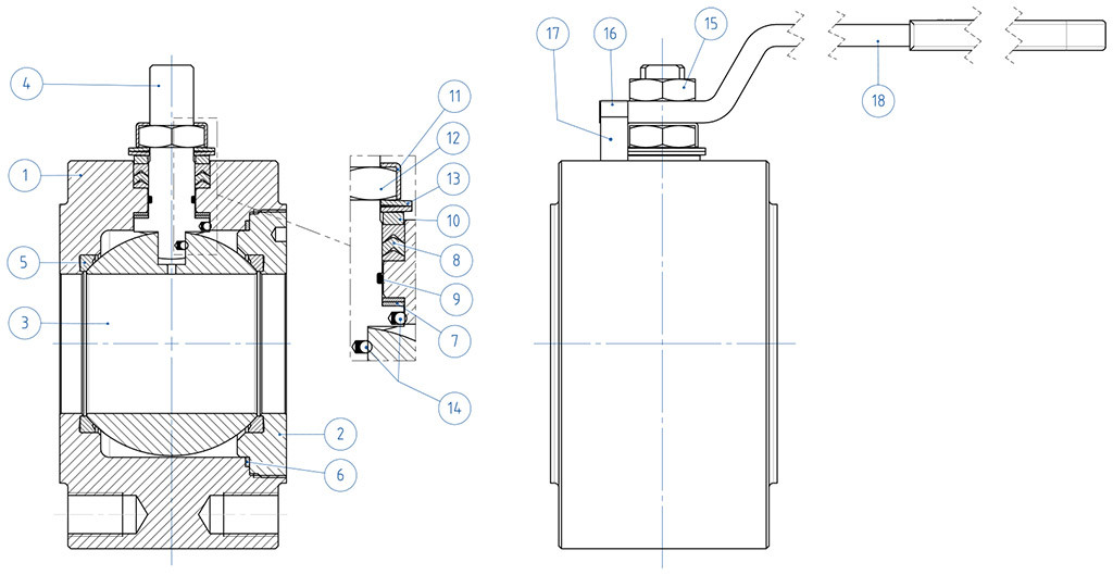
N°  
  介绍
  A105 碳钢
  LF2 碳钢
  1  
   阀体
  ASTM A105  
  ASTM A350 LF2  
  2  
 环型螺母
  3  
  球体
  ASTM A351 CF8(*) (1.4308/Gx5CrNi19-10)  
  ASTM A351 CF8(*) (1.4308/Gx5CrNi19-10)  
  4  
  阀杆
  ASTM A182F6A/A479 Tp.410 (**)  
  ASTM A182F6A/A479 Tp.410 (**)  
  5*  
  阀座
  TFM1600 (.)  
  TFM1600 (.)  
  6*  
 阀体环型螺母密封垫
  TFM1600 (.)  
  TFM1600 (.)  
  7*  
  阀杆下密封件
  TFM1600 (.)  
  TFM1600 (.)  
  8*  
    V形密封套件
  TFM1600 (.)  
  TFM1600 (.)  
  9*  
  内杆O形圈
  FKM (.)  
  FKM (.)  
  10  
  密封顶环
  镀锌碳钢 (x)  
  镀锌碳钢  (x)  
  11  
螺母锁片
  304 不锈钢
  304 不锈钢
  12  
  内杆螺母
  UNI 3740-1 6S 镀锌 (x)  
  UNI 3740-1 6S 镀锌  (x)  
  13  
 碟型弹簧  
  50CrV4 镀锌 (xx)  
  50CrV4 镀锌  (xx)  
  14  
 防静电装置  
  316 不锈钢
  316 不锈钢
  15  
  锁止螺母
  UNI 3740-1 6S 镀锌 (x)  
  UNI 3740-1 6S 镀锌 (x)  
  16  
   止动螺栓  A2-70 UNI 3740 (304 不锈钢)  
  A2-70 UNI 3740 (304 不锈钢)  
  17  
  限位杆
  镀锌碳钢 (x)  
  镀锌碳钢 (x)  
  18  
  手柄
  Fe37 镀锌 (x)  
  Fe37 镀锌 (x)  
* 密封套件的组件


可选装型号:


(*): A351 CF8M
(**): A564 TP.630(17-4PH)
(x): 304不锈钢
(xx): 301不锈钢


(.): 可选装的其他材料

碳钢阀体阀门的压力/温度图表

不锈钢阀体阀门的压力/温度图表

流量/压力损失图表和公称系数Kv

流量系数Kv的数值等于压降为1 bar时的流量值(单位为m3/h,水温为15℃)。

TFM-1600密封座和水(*)作为截止液体条件下的起动扭矩(Nm)
尺寸
DN 15 DN 20 DN 25 DN 32 DN 40 DN 50 DN 65 DN 80 DN 100 
0 bar 








PN16 bar 8131827376180120215
PN25 bar 9,5152029406795130230
PN40 bar 111721314175110165280
ANSI 150-20 bar 9141928386590128220
ANSI 300-50 bar 121921324280120170290


(*):若截止液体为脱脂液和/或包含特定颗粒物的液体,则操纵扭矩应高于图表中的数值
以Nm为单位的扭矩值可能在温度和液体类型的作用下发生变化。纳入考虑的安全因子为1.4。在频繁开闭的循环条件下,操纵扭矩可能会略低于初始扭矩。


确定气动执行器的尺寸时考虑的最低供应压力为5.6 Barg。

手柄专用外杆延长套

材质 

组件编号.

介绍

材质

1
延长套
AISI304不锈钢
2
传动轴
AISI 430 F
3
衬套
DELRIN
4
O形圈
NBR
5
手柄
Fe37 镀锌(*)
6
螺母
镀锌碳钢(*)
7
手柄止动杆
镀锌碳钢(*)
8
止动杆螺栓
A2-70
9
定距片
PTFE 碳填充


(*): 可选配304不锈钢


尺寸规格
ISO标准阀门
ØA
ØB
ØM
ØN
F/T
X
Y
F03
36
5,5365,510/638,5141,5
F04
425,542M512/845,5151,5
F05
506,5506,516/1048,5276,5
F07
708,5708,522/1457,5351,5
F10
102111021130/1879,5451,5


注意:延长套的代码取决于驱动类型和阀门接头;请在下订单时询问细节。

执行器专用外杆延长套

材质

组件编号.

介绍

材质

1
延长套
ASTM A351 CF8M
2
传动轴
AISI 430 F
3
衬套
DELRIN
4
O形圈
丁腈橡胶


注意:延长套的代码取决于驱动类型和阀门接头;请在下订单时询问细节

手柄专用焊接外杆延长套

材质    
组件编号.
介绍
材质
1
延长套
304 s.s.
2
传动轴
AISI 430 F
3
衬套
DELRIN
4
O形圈
NBR
5
手柄
Fe 37 镀锌碳钢 (*)
6
螺母
镀锌碳钢(*)
7
手柄止动杆
镀锌碳钢(*)
8
止动杆螺栓
A2-70
9
止动杆螺母
A2-70 (**)
10
定距片
PTFE 碳填充


(*):可选配304不锈钢
(**): 未存在于ISO F04接头的阀门

尺寸规格
ISO标准阀门
ØA
ØB
ØM
ØN
F/T
X
Y
F03
36
5,5365,510/638,5141,5
F04
425,542M512/845,5151,5
F05
506,5506,516/1048,5276,5
F07
70970922/1457,5351,5
F10
102111021130/1879,5451,5


注意:延长套的代码取决于驱动类型和阀门接头;请在下订单时询问细节。

执行器专用外杆延长套

材质    
组件编号.
介绍
材质
1
延长套
304 S.S.
2
传动轴
AISI 430 F
3
衬套
DELRIN
4
O形圈
NBR


注:延长套的代码取决于驱动类型和阀门接头;请在下订单时询问细节

配备额外密封件的延长套

材质
组件编号
介绍
材质
1
延长套
304 s.s
2
传动轴
AA564 TP.630 (17-4ph)
3
抗磨环
TFM1600
4
O形圈
FKM
5
V形密封套件
TFM1600
6
密封顶环
304 s.s
7
碟型弹簧
50CrV4 镀锌
8
内杆螺母
UNI 3740-1 6S 镀锌
9
螺母锁片
304 s.s
10
密封件
天然石墨


尺寸规格
ISO标准阀门
ØA
ØB
ØM
ØN
F/T
CD
F03
36
5,5
36M510/6
2010,2
F04
42
5,5
42M512/8
2615,1
F05
50
6,550M616/10
3521,2
F07
70
8,570M822/14
47,528,4
F10
102
10,5102M1030/18
6135,2

注意:延长套的代码取决于驱动类型和阀门接头;请在下订单时询问细节。

配置 驾驶
选择搜索参数
搜索文章