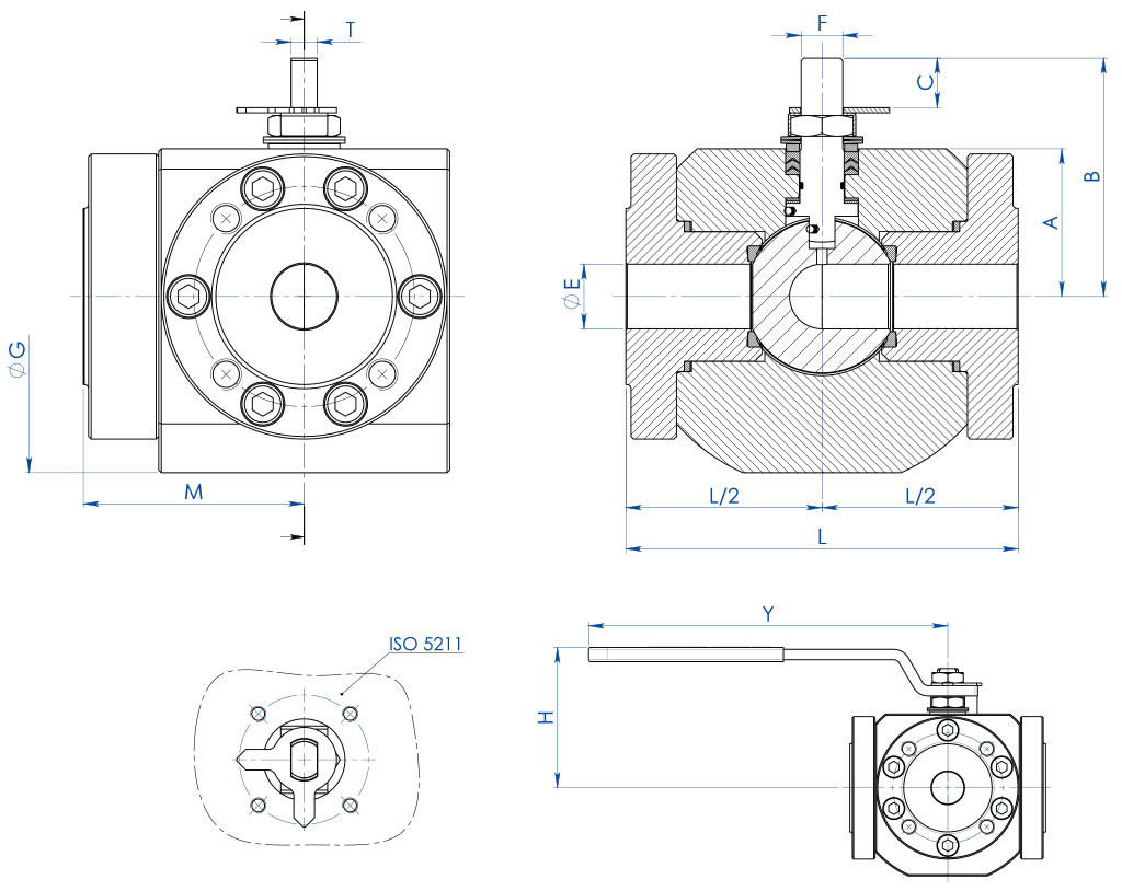
MAGNUM MAGNUM Wafer MAGNUM Split Wafer MAGNUM Split Wafer 3方式4密封 THOR PROCHEMIE 60 HERCULES KRATOS SUPREME TRUNNION 其他黄铜球阀 其他铸铁球阀 其他不锈钢球阀 其他碳素钢球阀 其他PVC材质球阀 下载 总目录 下载 Actuator Accessories Catalogue 解码MAGNUM & THOR 配置您的产品 下载不同格式的2D和3D文件 下载 下载销售条款 宏 球阀 小类 MAGNUM 子类 MAGNUM Split Wafer 3方式4密封 家族 MAGNUM Split Wafer 3 方式4密封 PN 16-40 ANSI 150 配置 动力 申请详细信息 打印页面 下载目录 MAGNUM SPLIT WAFER 3方式4密封 产品代码解码 优点 特性 尺寸 物料 图表和起动扭矩 规格 附件 文档 1.防静电装置(球体、阀杆和阀体间存在常电)此装置可以避免在易燃和/或易爆环境中静电荷的聚集阀门在整个寿命周期中的接触安全均具有保障2.双抗磨环借助更低的扭矩即可操纵阀门;相较于单环装置,双环的磨损在运行中更低3.3组密封件组成的V形密封套件和+O形圈在定量的循环过后,该装置仍可确保完美的密封性4.阀杆密封件上的碟型弹簧封堵因轴的半周旋转磨损而形成的间隙,避免内容物外泄;确保雪佛龙密封套件(V形)保持紧致,避免在温差显著的环境中出现内容物外泄。5.石墨弹性密封件确保外端密封性不受阀门所在环境的温差影响得益于粗加工至细加工的单一定位,实现更高的轴向对齐精度更佳的阀门寿命更小的操纵扭矩依照执行标准,采用NACE规范认证材料打造的碳钢阀体更佳的耐腐蚀性保障更强的材料韧性在OMAL自有设施内完成全部生产流程对加工各个阶段的最佳管控按照客户的需求可快速供货ATEX认证可安装于潜在易爆的环境内“TA LUFT排放泄漏”认证更高的阀杆外端密封性保障PED认证完全符合欧盟有关加压装置的安全条例最高达SIL3等级的认证更高的运行安全等级 标准配置• 浮动球体,全通径• TFM 1600密封软座• 法兰接口标准:EN1092-1, ASME B16.5• 压力等级:ANSI 150; PN16-40• 密封等级:EN12266-1 A级• 使用温度:-40℃~+150℃• 截止流体:空气、水、天然气、石油和石化产品。• 截止流体:空气、水、天然气、石油和石化产品。• EN12266-2 防静电装置• 阀杆密封:TFM 1600材质多层V形密封套件• 阀杆额外密封件为FKM材质的O形圈• 防喷溅阀杆• 适用于ISO5211执行器的孔位设计选装配置• 有关其他法兰接口类型的详情,请联络我司的销售部门。• 密封件材质:玻璃填料PTFE(RPTFE-GF),碳石墨填料PTFE(RPTFE-CF)。有关其他类型的材质,请联络我司的销售部门。• 不锈钢手柄• 不锈钢螺母和阀杆弹簧• 有关标准之外的材质(阀体/球体/阀杆),请联络我司的销售部门• 可选装ATEX标识和认证认证• 符合欧盟《2014/68/UE》加压装置条例;挥发性排放标准ISO 15848 (ISO FE BH-C03-SSA 0);TA-LUFT VDI: 2440• 安全等级最高可达SIL 3,符合IEC 61508的规定• 符合欧盟《2014/34/UE》ATEX防爆条例,可选装ATEX认证型号设计准则• 阀体厚度满足:ASME B16.34,ASME VIII div.1,EN12516• 材质和评级满足ANSI标准阀门的ASME B16.34规范,PN标准阀门满足EN 12516规范 -PN- 尺寸规格尺寸PN∅ELMABCATT. ISOF/TØG∅JØRSPØK孔数ØIHYKg.手柄套件密封套件DN [mm][inch]151/2"16-40131246240559,2F0310/61129045215654M12731406,8KLV58004KGBV557040203/4"16-401913679487113F0412/813010058214754M1290,415010,5KLV58006KGBV557050251"16-402515185579219,1F0516/1014911068216854M12108,427515,2KLV58008KGBV557060321" 1/416-403216796609519,1F0516/10164130782201004M16111,427520,8KLV58008KGBV557070401" 1/216-403818510072119,526,4F0722/14185140883201104M16132,535026,1KLV58010KGBV557080502"16-405120011081128,526,7F0722/141951501023201254M16141,535032,4KLV58010KGBV557090652" 1/216642181219315433,2F1030/182201781223201454M16180,345047,6KLV58012KGBV557100803"167624412610116233,2F1030/182391901353201608M16188,345057,9KLV58012KGBV5571101004"1610232515012418233,2F1030/182962351583201808M16208,3450109KLV58012KGBV557120-ANSI-尺寸规格尺寸ANSIØELMABCATT. ISOF/TØGØJØRSPØK孔数ØIHYKg.手柄套件密封套件DN [mm][inch]151/2"150131246240559,2F0310/61129034,91,6166541/2"UNC731406,8KLV58004KGBV557040203/4"1501913679487113F0412/813010042,91,6167541/2"UNC90,415010,4KLV58006KGBV557050251"1502515185579219,1F0516/1014911050,71,6168541/2"UNC108,427515,2KLV58008KGBV557060321" 1/41503216796609519,1F0516/1016413063,51,61610041/2"UNC111,427521,3KLV58008KGBV557070401" 1/21503818510072119,526,4F0722/14185140731,61611041/2"UNC132,535026,4KLV58010KGBV557080502"1505120011081128,526,7F0722/1419515092,11,62012545/8"UNC141,535032,6KLV58010KGBV557090652" 1/2150642181219315433,2F1030/18220178104,81,62014545/8"UNC180,345046,6KLV58012KGBV557100803"1507624412610116233,2F1030/182391901271,62016045/8"UNC188,345058,5KLV58012KGBV5571101004"15010232515012418233,2F1030/18296235157,21,62018085/8"UNC208,3450109KLV58012KGBV557120 材质 - SPLIT WAFER PN16-40 ANSI 150编号。介绍316 不锈钢1阀体ASTM A182 F316 / A479TP.3162环型螺母3侧接口环型螺母4球体ASTM A351 CF8M5阀杆A564 TP.630 (17-4PH)6*阀座TFM16007*阀杆下密封件TFM16008*V形密封套件TFM16009*内杆O形圈FKM10密封顶环304 不锈钢11阀杆弹簧50CrV4 镀锌 (xx)12螺母锁片UNI 3740-1 6S 镀锌 (x)13螺母锁片304 不锈钢14定标圈304 不锈钢15*阀体环型螺母密封垫石墨填料16*阀体侧接口环型螺母密封垫石墨填料17阀体-环型螺母螺栓A2-70 UNI 3740 (304 不锈钢)18阀体侧接口环型螺母的螺栓19防静电装置316 不锈钢20锁止螺母UNI 3740-1 6S 镀锌 (x)21止动螺栓A2-70 UNI 3740 (304 )22限位杆镀锌碳钢 (x)23杠杆Fe37 镀锌 (x)* 密封套件的组件选装配置:(x) : 304不锈钢(xx) : 301不锈钢 流量/压力损失图表和公称系数Kv 流量系数Kv的数值等于压降为1 bar时的流量值(单位为m3/h,水温为15℃)。 “L”球形方案注:在SR执行器正常关闭的情况下,球的静止位置必须为“ A”。在SR执行器常开的情况下,球的静止位置必须为“ B”。 从上面看 “T”球形方案对于执行器,只能在两个90°旋转的位置上进行安装:必须始终将球体的配置告知我们的销售办事处。注:使用SR常闭执行器选择球的静止位置;通电后,执行器将逆时针旋转。使用常开SR执行器选择球的静止位置;通电后,执行器顺时针旋转。 从上面看 气动执行器的尺寸是在考虑最小供应压力为5.6 barg的情况下确定的。如果拦截了脱脂和/或包含固体颗粒物的流体,则操纵扭矩可能会大于预期值。 手柄专用外杆延长套 材质 组件编号.介绍材质1延长套AISI304不锈钢2传动轴AISI 430 F3衬套DELRIN4O形圈NBR5手柄Fe37 镀锌(*)6螺母镀锌碳钢(*)7手柄止动杆镀锌碳钢(*)8止动杆螺栓A2-709定距片PTFE 碳填充(*): 可选配304不锈钢 尺寸规格ISO标准阀门ØAØBØMØNF/TXYF03365,5365,510/638,5141,5F04425,542M512/845,5151,5F05506,5506,516/1048,5276,5F07708,5708,522/1457,5351,5F10102111021130/1879,5451,5注意:延长套的代码取决于驱动类型和阀门接头;请在下订单时询问细节。 执行器专用外杆延长套 材质组件编号.介绍材质1延长套ASTM A351 CF8M2传动轴AISI 430 F3衬套DELRIN4O形圈丁腈橡胶注意:延长套的代码取决于驱动类型和阀门接头;请在下订单时询问细节 手柄专用焊接外杆延长套 材质 组件编号.介绍材质1延长套304 s.s.2传动轴AISI 430 F3衬套DELRIN4O形圈NBR5手柄Fe 37 镀锌碳钢 (*)6螺母镀锌碳钢(*)7手柄止动杆镀锌碳钢(*)8止动杆螺栓A2-709止动杆螺母A2-70 (**)10定距片PTFE 碳填充(*):可选配304不锈钢(**): 未存在于ISO F04接头的阀门 尺寸规格ISO标准阀门ØAØBØMØNF/TXYF03365,5365,510/638,5141,5F04425,542M512/845,5151,5F05506,5506,516/1048,5276,5F0770970922/1457,5351,5F10102111021130/1879,5451,5注意:延长套的代码取决于驱动类型和阀门接头;请在下订单时询问细节。 执行器专用外杆延长套 材质 组件编号.介绍材质1延长套304 S.S.2传动轴AISI 430 F3衬套DELRIN4O形圈NBR注:延长套的代码取决于驱动类型和阀门接头;请在下订单时询问细节 配备额外密封件的延长套 材质组件编号介绍材质1延长套304 s.s2传动轴AA564 TP.630 (17-4ph)3抗磨环TFM16004O形圈FKM5V形密封套件TFM16006密封顶环304 s.s7碟型弹簧50CrV4 镀锌8内杆螺母UNI 3740-1 6S 镀锌9螺母锁片304 s.s10密封件天然石墨 尺寸规格ISO标准阀门ØAØBØMØNF/TCDF03365,536M510/62010,2F04425,542M512/82615,1F05506,550M616/103521,2F07708,570M822/1447,528,4F1010210,5102M1030/186135,2注意:延长套的代码取决于驱动类型和阀门接头;请在下订单时询问细节。 证明书 ATEX - Ball Valves EAC TR CU 010/2011 - Ball Valves EAC TR CU 012/2011 - EX EAC TR CU 032/2013 - Ball Valves / Pneumatic Valves FUGITIVE EMISSION DN 15-80 FUGITIVE EMISSION DN 40-200 PED SIL IEC 61508 - MAGNUM & THOR TA LUFT - MAGNUM & THOR 说明 USER MANUAL 8_0844-33 说明书 MANUAL UMAH1000 配置 驾驶 选择搜索参数 -- 驾驶 -- 自由轴+“L”形球体 自由轴+“T”形球体 手柄+“L”形球体 手柄+“T”形球体 带DA球执行器 DA双效气动执行器+“T”形球体 SR单效气动执行器+“L”形球体 SR单效气动执行器+“T”形球体 搜索文章