在我们的目录中搜索产品
球阀
蝶形阀
气动阀
气动执行器
电动执行器
执行器附件目

THOR分体式不锈钢铸造球阀 ANSI 150-300

THOR分体式不锈钢铸造球阀 ANSI 150-300
球阀
小类 THOR

家族 THOR Split Body ANSI 150-300 铸不锈钢

配置 动力
申请详细信息
打印页面
产品代码解码
  • 优点
  • 尺寸
  • 物料
  • 附件
  • 文档

1.防静电装置(球体、阀杆和阀体间存在常电)
此装置可以避免在易燃和/或易爆环境中静电荷的聚集
阀门在整个寿命周期中的接触安全均具有保障

2.双抗磨环
借助更低的扭矩即可操纵阀门;
相较于单环装置,双环的磨损在运行中更低

3.3组密封件组成的V形密封套件和+O形圈

在定量的循环过后,该装置仍可确保完美的密封性

4.阀杆密封件上的碟型弹簧

封堵因轴的半周旋转磨损而形成的间隙,避免内容物外泄;
确保雪佛龙密封套件(V形)保持紧致,避免在温差显著的环境中出现内容物外泄。

5.石墨弹性密封件

确保外端密封性不受阀门所在环境的温差影响

得益于粗加工至细加工的单一定位,实现更高的轴向对齐精度
更佳的阀门寿命
更小的操纵扭矩

依照执行标准,采用NACE规范认证材料打造的碳钢阀体

更佳的耐腐蚀性保障
更强的材料韧性

在OMAL自有设施内完成全部生产流程

对加工各个阶段的最佳管控
按照客户的需求可快速供货

“Fire Safe”认证

阀门在火灾环境下的密封性保障

ATEX认证

可安装于潜在易爆的环境内

“TA LUFT排放泄漏”认证

更高的阀杆外端密封性保障

API6D认证

适用于石油&天然气和石油化工领域
流程和产品的最佳可追溯性。

PED认证

完全符合欧盟有关加压装置的安全条例

最高达SIL3等级的认证

更高的运行安全等级

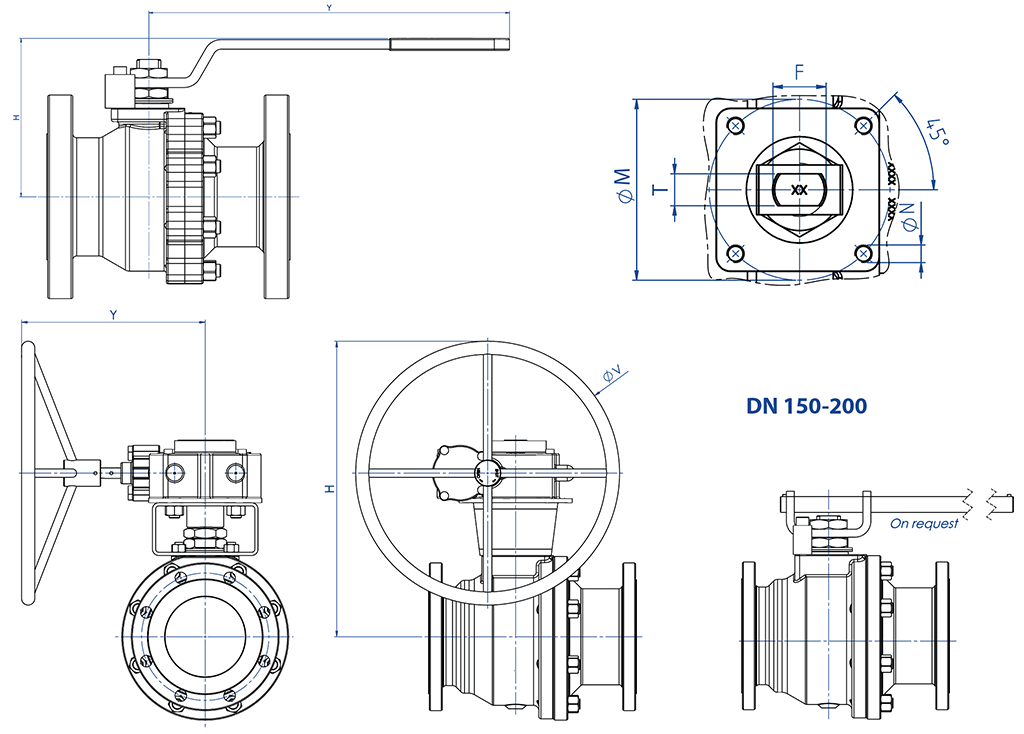
裸轴尺寸规格

裸轴尺寸规格
尺寸 
ANSI
A
B
C
∅G
∅R
S
P
∅H
孔数
∅I
L (4)
Kg
密封套件
DN [mm]
[英寸]
DN 151/2"
ANSI 150
325210
90
35
1,6
11,6
60,3
4
16
108
1,8
KGBV485040
DN 151/2"
ANSI 300
325210
95
35
1,6
15,3
66,7
4
16
140
2,5
KGBV485040
DN 203/4"
ANSI 150
355510
100
43
1,6
13,6
70
4
16
117
2,5
KGBV485050
DN 203/4"
ANSI 300
355510
100
43
1,6
17,1
82,6
4
19
152
3,7
KGBV485050
DN 251"
ANSI 150
426815
110
50,8
1,6
14,8
79,4
4
16
127
3,3
KGBV485060
DN 251"
ANSI 300
426815
125
50,8
1,6
18,1
88,9
4
19
165
4,6
KGBV485060
DN 321"1/4
ANSI 150
477315
117
63,5
1,6
17,6
88,9
4
16
140
4,5
KGBV485070
DN 321"1/4
ANSI 300
477315
133
63,5
1,6
20,6
98,6
4
19
178
6,6
KGBV485070
DN 401" 1/2
ANSI 150
589321
125
73
1,6
18,6
98,4
4
16
165
6,5
KGBV485080
DN 401" 1/2
ANSI 300
589321
155
73
1,6
21,6
114,3
4
22
190
8,9
KGBV485080
DN 502"
ANSI 150
6710221
150
92,1
1,6
20,6
120,7
4
19
178
10,3
KGBV485090
DN 502"
ANSI 300
6710221
165
92,1
1,6
22,6
127
819
216
12,6
KGBV485090
DN 652" 1/2
ANSI 150
83130,5
28,5
178
104,6
1,6
23,6
139,7
419
19115,7
KGBV485100
DN 652" 1/2
ANSI 300
83130,5
28,5
190
104,6
1,6
26,6
149,4
822
241
19,6
KGBV485100
DN 803"
ANSI 150
90137,5
28,5
190
127
1,6
24,6
152,4
419
203
19,6
KGBV485110
DN 803"
ANSI 300
90137,5
28,5
210
127
1,6
29,6
168,3
822
282
26,7
KGBV485110
DN 1004"
ANSI 150
111172
35
230
157,2
1,6
25,1
190,5
819
229
33,0
KGBV485112
DN 1004"
ANSI 300
111172
35
255
157,2
1,6
32,6
200
822
305
46,3
KGBV485112
DN 150
6”
ANSI 150
154
227,5
40,5
280
216
1,6
26,1
241,3
8
22
394
88,7
KGBVVT1140
DN 150
6”
ANSI 300
154
227,5
40,5
320
216
1,6
37,6
269,9
12
22
403
110,0
KGBVVT114D
DN 200
8”
ANSI 150
192
274
44,8
345
270
1,6
29,6
298,5
8
22
457
161,7
KGBVVT1150
(4) B16.10 / API6D

搭配手柄时的尺寸规格


搭配手柄时的尺寸规格
尺寸  
ANSI
H
Y
ØV
ØM
ØN
F/T
接头.ISO
Kg
手柄套件
DN [mm]
[英寸]
DN 151/2"
ANSI 150
71
141,5
---
36
M5
10/6
F03
2
KLV58004
DN 151/2"
ANSI 300
71
141,5
---
36
M5
10/6
F03
2,7
KLV58004
DN 203/4"
ANSI 150
74
141,5
---
36
M5
10/6
F03
2,7
KLV58004
DN 203/4"
ANSI 300
74
141,5
---
36
M5
10/6
F03
3,9
KLV58004
DN 251"
ANSI 150
87
152
---
42
M5
12/8
F04
3,5
KLV58006
DN 251"
ANSI 300
87
152
---
42
M5
12/8
F04
5KLV58006
DN 321"1/4
ANSI 150
92
152
---
42
M5
12/8
F04
4,9
KLV58006
DN 321"1/4
ANSI 300
92
152
---
42
M5
12/8
F04
7KLV58006
DN 401" 1/2
ANSI 150
109
277
---
50
M6
16/10
F05
7,2KLV58008
DN 401" 1/2
ANSI 300
109
277
---
50
M6
16/10
F05
9,4KLV58008
DN 502"
ANSI 150
118
277
---
50
M6
16/10
F05
11KLV58008
DN 502"
ANSI 300
118
277
---
50
M6
16/10
F05
13,5KLV58008
DN 652" 1/2
ANSI 150
143
352
---
70
M8
22/14
F07
17KLV58010
DN 652" 1/2
ANSI 300
143
352
---
70
M8
22/14
F07
21KLV58010
DN 803"
ANSI 150
150
352
---
70
M8
22/14
F07
21KLV58010
DN 803"
ANSI 300
150
352
---
70
M8
22/14
F07
28KLV58010
DN 1004"
ANSI 150
198
452
---
102
M10
30/18
F10
36KLV58012
DN 1004"
ANSI 300
198
452
---
102
M10
30/18
F10
50KLV58012
DN 150
6”
ANSI 150
502
326
400
140
M16
45/30
F14
126
---
DN 150
6”
ANSI 300
560
347
500
140
M16
45/30
F14
147
---
DN 200
8”
ANSI 150
590
347
500
140
M16
52/35
F14
200
---

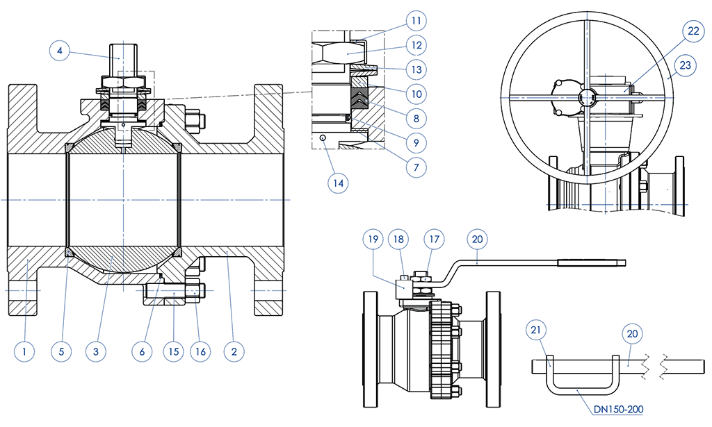
材质
ANSI 150-300 铸造 
编号
介绍
CF8M 不锈钢
1
阀体
ASTM A351 CF8M  (1.4408/Gx5CrNiMo19-12-2)
2
法兰接口
3
球体
ASTM A351 CF8M  (1.4408/Gx5CrNiMo19-12-2)
4
阀杆
A564 TP.630 (17-4PH)
5*
阀座
TFM1600 (.) (2)
6*
阀体-法兰接口密封垫
GRAFOIL
7*
阀杆下密封件
TFM1600 (.)
8*
雪佛龙密封件
TFM1600 (.)
9*
内杆O形圈
FKM (.)
10
密封顶环
304 不锈钢
11
螺母锁片
304 不锈钢
12
内杆螺母
UNI 3740-1 6S 镀锌(x)
13
碟型弹簧
50CrV4 镀(xx)
14
防静电装置
316 不锈钢
15
双头螺栓
ASTM A193-B8
16
螺母
ASTM A194-Gr.8
17
锁止螺母UNI 3740-1 6S 镀锌(x)
18
止动螺栓
A2-70 UNI 3740 (304 不锈钢)
19
限位杆
镀锌碳钢 (x)
20
手柄
Fe37 镀锌
21
阀座手柄
Fe37 镀锌
22
变速器
铸铁(涂漆)
23
手轮
Fe 42 UNI 7091
* 密封套件的组件

  可选装型号:
(x): 304不锈钢
(xx): 301不锈钢
(2) 戴维龙用于:DN150 - ANSI300
(.): 可选装的其他材料

手柄专用外杆延长套

材质 

组件编号.

介绍

材质

1
延长套
AISI304不锈钢
2
传动轴
AISI 430 F
3
衬套
DELRIN
4
O形圈
NBR
5
手柄
Fe37 镀锌(*)
6
螺母
镀锌碳钢(*)
7
手柄止动杆
镀锌碳钢(*)
8
止动杆螺栓
A2-70
9
定距片
PTFE 碳填充


(*): 可选配304不锈钢


尺寸规格
ISO标准阀门
ØA
ØB
ØM
ØN
F/T
X
Y
F03
36
5,5365,510/638,5141,5
F04
425,542M512/845,5151,5
F05
506,5506,516/1048,5276,5
F07
708,5708,522/1457,5351,5
F10
102111021130/1879,5451,5


注意:延长套的代码取决于驱动类型和阀门接头;请在下订单时询问细节。

执行器专用外杆延长套

材质

组件编号.

介绍

材质

1
延长套
ASTM A351 CF8M
2
传动轴
AISI 430 F
3
衬套
DELRIN
4
O形圈
丁腈橡胶


注意:延长套的代码取决于驱动类型和阀门接头;请在下订单时询问细节

手柄专用焊接外杆延长套

材质    
组件编号.
介绍
材质
1
延长套
304 s.s.
2
传动轴
AISI 430 F
3
衬套
DELRIN
4
O形圈
NBR
5
手柄
Fe 37 镀锌碳钢 (*)
6
螺母
镀锌碳钢(*)
7
手柄止动杆
镀锌碳钢(*)
8
止动杆螺栓
A2-70
9
止动杆螺母
A2-70 (**)
10
定距片
PTFE 碳填充


(*):可选配304不锈钢
(**): 未存在于ISO F04接头的阀门

尺寸规格
ISO标准阀门
ØA
ØB
ØM
ØN
F/T
X
Y
F03
36
5,5365,510/638,5141,5
F04
425,542M512/845,5151,5
F05
506,5506,516/1048,5276,5
F07
70970922/1457,5351,5
F10
102111021130/1879,5451,5


注意:延长套的代码取决于驱动类型和阀门接头;请在下订单时询问细节。

执行器专用外杆延长套

材质    
组件编号.
介绍
材质
1
延长套
304 S.S.
2
传动轴
AISI 430 F
3
衬套
DELRIN
4
O形圈
NBR


注:延长套的代码取决于驱动类型和阀门接头;请在下订单时询问细节

配备额外密封件的延长套

材质
组件编号
介绍
材质
1
延长套
304 s.s
2
传动轴
AA564 TP.630 (17-4ph)
3
抗磨环
TFM1600
4
O形圈
FKM
5
V形密封套件
TFM1600
6
密封顶环
304 s.s
7
碟型弹簧
50CrV4 镀锌
8
内杆螺母
UNI 3740-1 6S 镀锌
9
螺母锁片
304 s.s
10
密封件
天然石墨


尺寸规格
ISO标准阀门
ØA
ØB
ØM
ØN
F/T
CD
F03
36
5,5
36M510/6
2010,2
F04
42
5,5
42M512/8
2615,1
F05
50
6,550M616/10
3521,2
F07
70
8,570M822/14
47,528,4
F10
102
10,5102M1030/18
6135,2

注意:延长套的代码取决于驱动类型和阀门接头;请在下订单时询问细节。

配置 驾驶
选择搜索参数
搜索文章