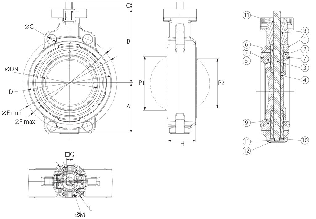
蝶形阀铸铁 其他蝶形阀 下载 总目录 下载 Actuator Accessories Catalogue 解码MAGNUM & THOR 配置您的产品 下载不同格式的2D和3D文件 下载 下载销售条款 宏 蝶形阀 小类 其他蝶形阀 "Wafer”法兰间装配型PV蝶阀 配置 动力 申请详细信息 打印页面 下载目录 其他蝶形阀 特性 特性 物料 图表和起动扭矩 标准配置:• 依照双偏心准则制造而成:带来更低的密封座损耗,且相较于定心蝶阀,操纵扭矩下降50%• 阀体外部为抗紫外线照射的聚丙烯(PP-GR)材料• 蝶板为热塑材料:PVC-C• 弹性体主密封套:EPDM• 使用温度:0℃~+80℃• 运行压力:参见图表• 应用领域:不会与破坏PVC-C和EPDM材质化学耐性的化学物质和流体。• 尺寸范畴:DN50至DN300 PN10• 标准法兰接埠:DN40至DN300 ISO 7005 PN 10,EN 1092 PN 10,DIN 2501 PN 10,ANSI/ASME B16.5 等级150, BS 1560: 1989,BS 4504,JIS B 2220• F07接口遵照DIN/ISO 5211选装特殊配置:• 专用蝶板为热塑材料:PVC-U,ABS,PP-H,PVDF• 专用主密封件材质:FPM,FPM/PTFE• 可选装手动变速器 尺寸规格尺寸 HABCDGØE最小ØF最大ØML□QP1P2DN [mm][inch]DN 502"457713427104191201257090114040DN 652" 1/2468314027115191401457090115435DN 803"498914627131191501607090116750DN 1004"5610416716161191751917090148874DN 1255"64117181161872321021670901411397DN 1506"721301891921524241241709017139123DN 2008"731582101926723290295709017178169DN 25010"113205264403292535336210212522210207DN 30012"113228285403792540043210212522256253 材质1阀体PP+GF302内阀体PVC-C3阀轴S.S.4蝶板PVC-C5密封件EPDM6顶衬套PVC-C7法兰密封件EPDM8阀杆止推衬套PP+GF309底衬套PVC-C10垫圈不锈钢11锁止环不锈钢12阀杆盖PE 压力/温度图表 流量/压力损失和公称系数KvDN50DN65DN80DN100DN125DN150DN200DN250DN300Kv10014702200300065001150016600396005100073000KV100 每分钟升KV88,2132180390690996237630604380KV 立方米/小时 流量系数Kv的数值等于压降为1 bar时的流量值(单位为m3/h,水温为15℃)。 起动扭矩(Nm)尺寸DN 502"DN 65 2"1/2DN 803"DN 1004"DN 1255"DN 1506"DN 2008"DN 25010"DN 30012"PN 10 bar12182840506290110140 扭矩值可能因温度和流体类型的影响而出现变化。纳入考虑的安全因子为1.4。在频繁开闭的循环条件下,操纵扭矩可能会略低于初始扭矩。后文中列示的执行器/阀门装配以平均温度下截止洁净的液体或气体时为准。欲了解详情或其他应用方式,请联络我司的技术部门。 配置 驾驶 选择搜索参数 -- 驾驶 -- 自由轴 手柄 DA双效气动执行器 SR单效气动执行器 搜索文章