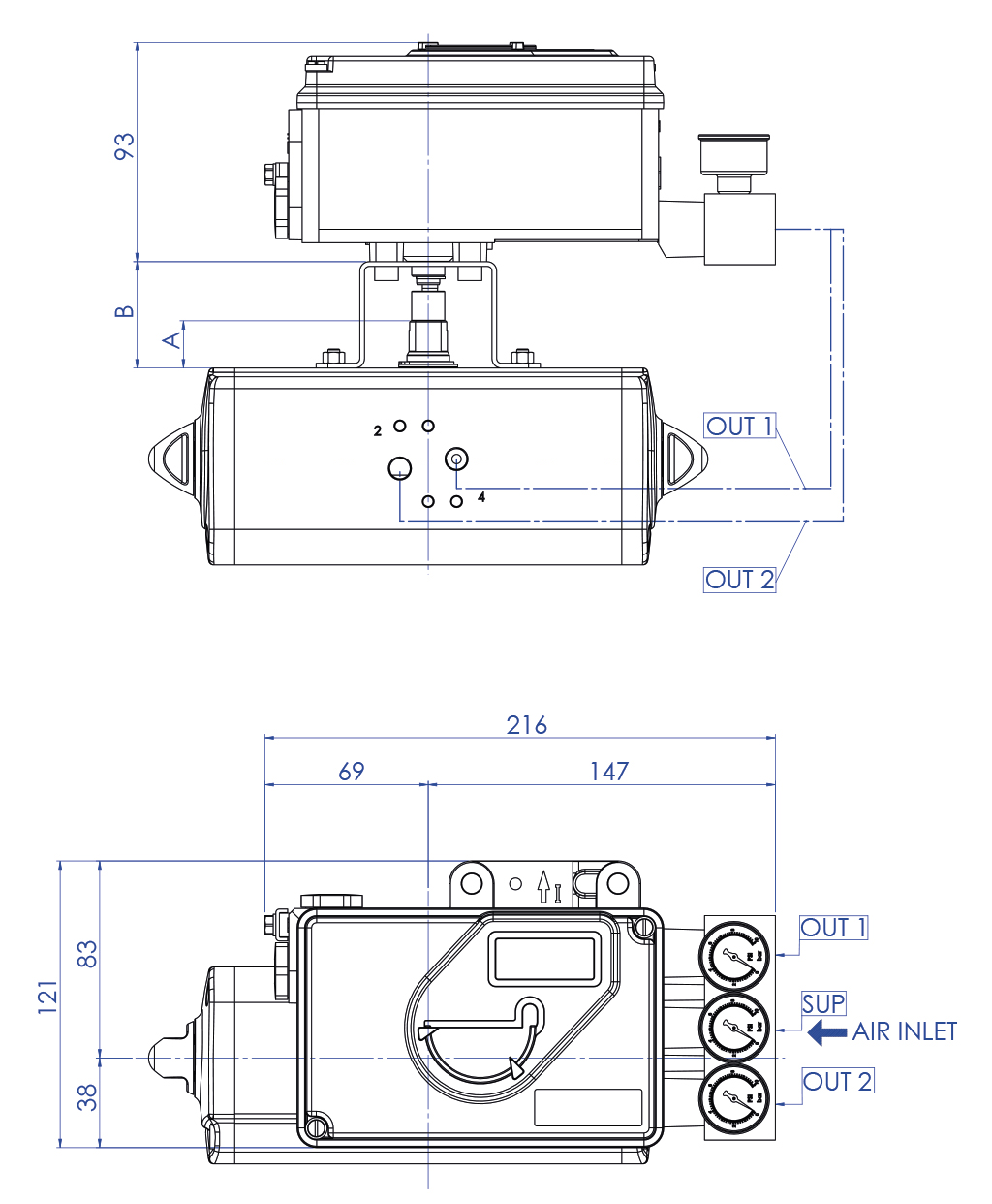
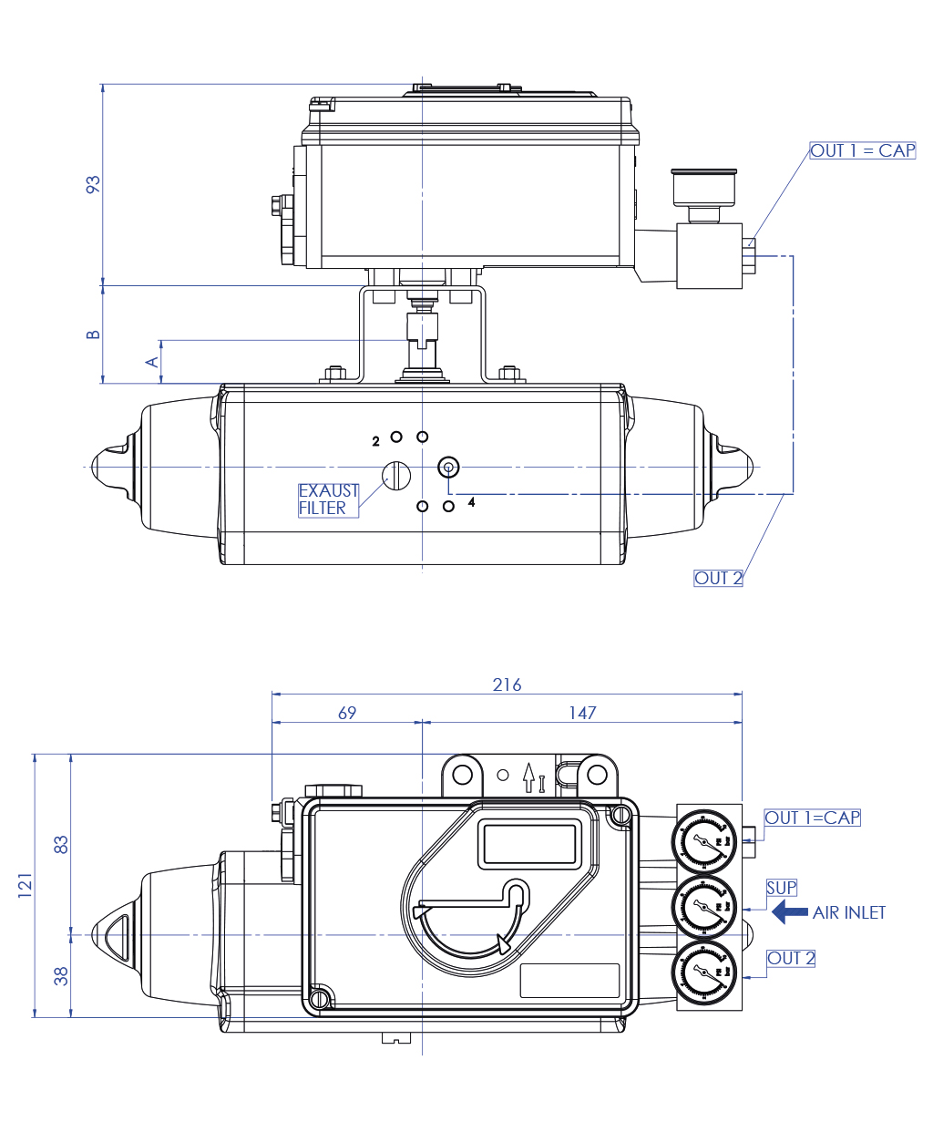
安全区 信号盒 外置限位器和位置指示器 定位器 电磁阀和线圈 流量调节器 手轮式手动减速器 渐缩管和消声器滤芯 ATEX 区域 信号盒 外置限位器和位置指示器 定位器 电磁阀和线圈 下载 总目录 下载 Actuator Accessories Catalogue 解码MAGNUM & THOR 配置您的产品 下载不同格式的2D和3D文件 下载 下载销售条款 宏 执行器附件目 小类 安全区 子类 定位器 SEARCH CODE 申请详细信息 下载目录 KPFH SMART HART 定位器 4-20MA ATEX 结构标准Spoll Valve标准双效款是的配有压力计的歧管是的环氧树脂涂漆铝套标准不锈钢套选装项Smart Hart 通讯是的 成套采购的定位器已搭配 OMAL S.P.A.气动执行器完成校准;若单独订购,则 客户需自行完成校准。OMAL S.P.A.不承担配置责任。 主要特性- SRD991 型智能定位器,设计用于控制气动执行器。得益于自启动HART 通讯功能,配置过程十分便捷。可选装满足FISCO/FoxCom 的PROFIBUSPA/ FOUNDATION Fieldbus H1in。在带有反馈的型号中,仪表带有持续监 控阀门(4~20mA)的位置回传功能。- 环氧树脂涂漆铝套- 工作温度:-40℃~+80℃- 型号:单效/双效- 输入/通讯:4-20mA,HART 协议- 额外输入/输出:No- 外置限位器:No- 电接口:M20x1.5,配备格兰头- 电力规格:ATEX,II 2 G EEx ia/ib IIB/IIC T4/T6- 环境防护等级:IP65(可选配IP66) 随附组件- “Spool Valve”型气动放大器- 配有压力计的歧管,搭配1/4-18 NPT 接口。- 符合VDI/VDE 3845 的旋转式执行器装配套件。- 含3 种语言(其他语言需选配)配置菜单的LCD 显示屏 选装项目- 内置安全装置的4-20mA 阀门位置传输- 2 个内置安全装置的NAMUR 限位器/PNP 微动开关- 316 不锈钢套- 316 不锈钢套和压力计 认证- 选配。 FOXBORO ECKART-SRD991 备注气动和气电定位器需选配,使用配备快速接头的涂漆铝管进行调整和装配。了解其他信息,请查阅《使用和维护手册》。 配备双效执行器的定位器 配备单效执行器的定位器 围度A 和B 请查阅第19 页。 SEARCH CODE