在我们的目录中搜索产品
球阀
蝶形阀
气动阀
气动执行器
电动执行器
执行器附件目

可断开手轮铝制减速器

最高适用于DAN720/SRN360 型执行器,配备可断开手轮的铝制减速器

主要特性
- 检测到故障或缺少流体供应(压缩空气)时,本型操作装置专用于紧急 操纵1/4 圈气动执行器控制的阀门。操作装置安装在阀门和气动执行器 之间。操作装置断开时,执行器可以直接控制阀门。操作装置接入时,可以紧急操纵执行器和阀门的固定销。 此外,当气动执行器因更换或维修而被拆除时,操作装置还可以手动形式操纵阀门。
- 防护等级IP65
- 工作温度:-20℃~+80℃

材质
- 本体:铝合金†G-AISi10Mg
- 带齿旋转:铸件†GJS 400 - 15
- 无止螺栓:C45 钢
- 主轴:C45 钢
- 手轮:S235JR 钢

减速器最大输出扭矩
RFDA0B1114
280 Nm
RFDA0B1414
280 Nm
RFDB0D1717
270 Nm
RFDC0F2222
530 Nm
RFDD122727
740 Nm

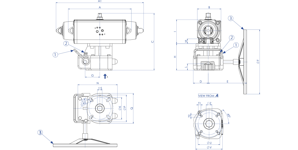
双效/单效执行器上的手轮减速器

断开
向外拉动把手(2)同时向上旋转连杆(1),而后释放把手(2)并确保其返回至初始位置(发出咔嗒声),此时,连杆(1)无法被旋转,减速器即断开且手轮(3)空转。

接入
接入时需遵照上文所述步骤,但需要将连杆(1)由上至下旋转;此时减速器即已接入,通过手轮(3)即可手动操作。

围度表格
减速器 RFDA0B1414  RFDB0D1717  RFDB0D1717  RFDC0F2222  RFDC0F2222RFDC0F2222  RFDD122727RFDD122727 
执行器套件 -减速器
KCF072623  KCF072623  KCF072623  KCF102726  KCF102726  KCF102726  KCF124042  KCF124042
执行器  DAN0060 F05-F07DAN0106 F05-F07DAN0120 F05-F07DAN0180 F07-F10DAN0240 F07-F10  DAN0360 F07-F10DAN0480 F10-F12  DAN0720 F10-F12
执行器  SRN0030 F05-F07
SRN0053 F05-F07
SRN0060 F05-F07SRN0090 F07-F10SRN0120 F07-F10  SRN0180 F07-F10SRN0240 F10-F12  SRN0360 F10-F12
A  mm.198237244,1289,9313,6339,3387,6  433,1
A1  mm.258,8304,2338,5393,7409,6 474520,5  613
B  mm.70,483,387107,5111,1118134,9  148
C  mm.190,4221,3  225261,5265,1 272326,9  340
D  mm.4562,562,5707070  95  95
E  mm.130150150180180  180300  300
ØF  mm.200200200400400  400400  400
G  mm.4452526565  6585  85
H  mm.100118118124124  124162162
I  mm.70,483,387107,5111,1118134,9148
L mm.16,321,521,526,526,5
26,529,5  29,5
M  mm.1417172222  2227  27
N  mm.125150150185185  185230  230
ØK  mm.507070102102  102--
ØP  mm.70102102125125  125125  125
Q  mm.90125125140140  140190  190
ØR1  mm.8,5111112,512,5  12,5
12,512,5
ØR2  mm.6,58,58,510,510,5  10,5--
□ S mm.1417172222  2227  27
T1  mm.M8M10M10M12M12  M12
M12  M12
T2 mm.M6M8M8M10M10  M10
-  -
ØU
507070102102  102
-  -
ØV
70102102125125  125  125125
□ Z
1417172222  22  27 27


确定气动执行器的尺寸时考虑的最低供应压力为5.6 Barg。若压力与标准相异,请联络销售办事处。

围度表格
减速器 RRD04EG0EG 0000000381004  RRD06FH0GH 0000000421004  RRD06FH0GH 0000000421004  RRD08HL0HL 0000000351004  RRD08HL0HL 0000000351004RRD08HL0HL 0000000381004
 RRD09LM0LM 0000000351004
执行器套件 DA-减速器
KCF145371
 KCF145163 KCF165164 KCF165165  KCF165165KCF255166
 KCF255168
执行器套件 SR-减速器
KCF165165
执行器  DAN0960 F10-F12
DAN1440 F14DAN1920 F14DA2880 F16
DA3840 F16
DA5760 F25
DA8000 F25
执行器  SRN0480 F10-F12
SRN0720 F14
SRN0960 F14
SR1440 F16SR1920 F16
SR2880 F16
SR4000 F25
A  mm.223280280447447447433
B  mm.358410432568523,5568603
C  mm.306356356444444444461
D  mm.479,3567,16016677188851044
D1  mm.648,279882870897512011371
ØE  mm.600700700500500600500
F  mm.85127127162162162183
G  mm.57626272727261
ØH  mm.547575909090140
I  mm.58,379,979,997,497,497,4147,6
ØJ  mm.102125125165165165254
ØK  mm.140165165254254254298
ØL  mm.-------
M  mm.M10M12M12M20M20M20M16 (N°8)
ØN  mm.M16M20M20M16 (N°8)
M20 (N°8)M16(N°8)
M20 (N°8)
P  mm.-------
F/F ISO 5211  F10/F14
F12/F16
F12/F16
F16/F25
F16/F25
F16/F25
F25/F30
ØQ  mm.75102102130130130180
R  mm.2776664
S  mm.699999121121121134
MAX STEM HEIGHT mm.669292113
11311390
Weight (DA)  Kg.  397887140144177210
Weight (SR)  Kg.  40,57887155160210230


SEARCH CODE