在我们的目录中搜索产品
球阀
蝶形阀
气动阀
气动执行器
电动执行器
执行器附件目

可断开手轮铸造减速器

最高适用于DAN60-DA8000/SRN60-SR4000 型执行器,配备可断开手轮的铸造减速器

主要特性
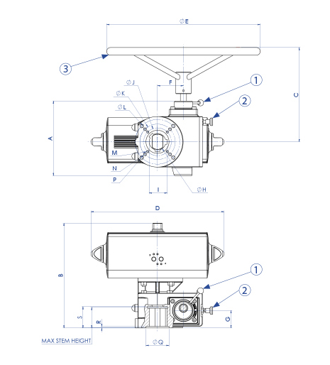
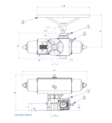
- 检测到故障或缺少流体供应(压缩空气)时,本型操作装置专用于紧急操纵1/4 圈气动执行器控制的阀门。操作装置安装在阀门和气动执行器之间。操作装置断开时,执行器可以直接控制阀门。操作装置接入时,可以紧急操纵执行器和阀门的固定销。 此外,当气动执行器因更换或维修而被拆除时,操作装置还可以手动形式操纵阀门。
- 防护等级IP65
- 工作温度:-20℃~120℃

材质
- 本体:铸件†GG25/ASTM A48-40
- 带齿旋转:球墨铸件†GGG40 / ASTM D60-40-18
- 无止螺栓:钢 C45/AISI 1045
- 主轴:钢
- 手轮:涂漆钢

减速器最大输出扭矩
RRD02CDECD0000000141004
250 Nm
RRD03DEFDEF000000141004
660 Nm
RRD04EG0EG0000000381004
1220 Nm
RRD06FH0GH0000000421004
2210 Nm
RRD08HL0HL0000000351004
5930 NM
RRD08HL0HL0000000381004
7120 Nm
RRD09LM0LM0000000351004
10630 Nm

双效执行器上的手轮减速器

单效执行器上的手轮减速器

断开
向外拉动把手(2) 同时向下( 顺时针) 旋转连杆(1),而后释放把手(2)并确保其返回至初始位置(发出咔嗒声),此时,连杆(1)无法被旋转,减速器即断开且手轮(3)空转。

接入
接入时需遵照上文所述步骤,但需要将连杆(1)由下至上旋转(逆时针);此时减速器即已接入,通过手轮(3)即可手动操作。

围度表格
减速器 RRD02CDECD 0000000141004  RRD02CDECD  0000000141004  RRD02CDECD  0000000141004  RRD02CDECD  0000000141004  RRD03DEFDEF   000000141004RRD03DEFDEF 000000141004  RRD03DEFDEF   000000141004RRD04EG0EG 0000000381004 
执行器套件 DA-减速器
KCF055157  KCF075158  KCF075158  KCF105159  KCF105160  KCF105160  KCF125161  KCF125162 
执行器套件 SR-减速器
执行器  DAN0060 F05-F07  DAN0106 F05-F07  DAN0120 F05-F07  DAN0180 F07-F10  DAN0240 F07-F10  DAN0360 F07-F10  DAN0480 F10-F12  DAN0720 F10-F12 
执行器   -  SRN0060 F05-F07  SRN0090 F07-F10  SRN0120 F07-F10  SRN0180 F07-F10  SRN0240 F10-F12  SRN0360 F10-F12 
A  mm.  155  155  155  155  145  145  145  223 
B  mm.  217  226  229  259,5  286  293  310  338 
C  mm.  251  251  251  251  283  283  283  306 
D  mm.  198  237  244,1  289,9  313,6  339,3  387,6  433,1 
D1  mm.  −  −  338,5  393,7  409,6  474  520,5  613 
ØE  mm.  300  300  300  300  300  300  300  600 
F  mm.  53  53  53  53  65  65  65  85 
G  mm.  42  42  42  42  51  51  51  57 
ØH  mm.  32,15  32,15  32,15  32,15  45,3  45,3  45,3  54 
I  mm.  35,5  35,5  35,5  35,5  48,6  48,6  48,6  58,3 
ØJ  mm.  50  50  50  50  70  70  70  102 
ØK  mm.  70  70  70  70  102  102  102  140 
ØL  mm.  102  102  102  102  125  125  125  - 
M  mm.  M6  M6  M6  M6  M8  M8  M8  M10 
N  mm.  M8  M8  M8  M8  M10  M10  M10  M16 
P  mm.  M10  M10  M10  M10  M12  M12  M12  - 
F/F ISO 5211  F05/F07/F10  F05/F07/F10  F05/F07/F10  F05/F07/F10  F07/F10/F12  F07/F10/F12  F07/F10/F12  F10/F14 
ØQ  mm.  42,35  42,35  42,35  42,35  60  60  60  75 
R  mm.  4  4  4  4  6   6  
S  mm.  47  47  47  47  60  60  60  69 
MAX STEM HEIGHT mm.  45  45  45  45  58  58  58  66 
Weight (DA)  Kg.  9  10  10,5  12  23  24  26,5  33,5 
Weight (SR)  Kg.  −  −  11  13,5  24  26  29  37,5 


确定气动执行器的尺寸时考虑的最低供应压力为5.6 Barg。若压力与标准相异,请联络销售办事处。

围度表格
减速器  RRD04EG0EG 0000000381004  RRD06FH0GH 0000000421004  RRD06FH0GH 0000000421004  RRD08HL0HL 0000000351004  RRD08HL0HL 0000000351004RRD08HL0HL 0000000381004
 RRD09LM0LM 0000000351004
执行器套件 DA-减速器
KCF145371
 KCF145163 KCF165164 KCF165165  KCF165165KCF255166
 KCF255168
执行器套件 SR-减速器
KCF165165
执行器DAN0960 F10-F12
 DAN1440 F14  DAN1920 F14DA2880 F16
DA3840 F16
DA5760 F25
DA8000 F25
执行器  SRN0480 F10-F12
SRN0720 F14
SRN0960 F14
 SR1440 F16SR1920 F16
SR2880 F16
SR4000 F25
A  mm.  223280280447447447433
B  mm. 358410432568523,5568603
C  mm. 306356356444444444461
D  mm. 479,3567,16016677188851044
D1  mm. 648,279882870897512011371
ØE  mm. 600700700500500600500
F  mm. 85127127162162162183
G  mm. 57626272727261
ØH  mm. 547575909090140
I  mm. 58,379,979,997,497,497,4147,6
ØJ  mm. 102125125165165165254
ØK  mm. 140165165254254254298
ØL  mm. -------
M  mm.  M10 M12M12M20M20M20M16 (N°8)
ØN  mm. M16 M20M20M16 (N°8)
 M20 (N°8)M16(N°8)
 M20 (N°8)
P  mm.  -------
F/F ISO 5211  F10/F14
F12/F16
F12/F16
F16/F25
F16/F25
F16/F25
F25/F30
ØQ  mm. 75102102130130130180
R  mm. 2776664
S  mm. 699999121121121134
MAX STEM HEIGHT mm. 669292113
11311390
Weight (DA)  Kg.  397887140144177210
Weight (SR)  Kg.  40,57887155160210230

SEARCH CODE